GM Service Manual Online
For 1990-2009 cars only
Makes
🢒
Pontiac
🢒
2000
🢒
Firebird
🢒
HVAC
🢒
HVAC Systems - Manual
🢒 HVAC Compressor Control Schematics
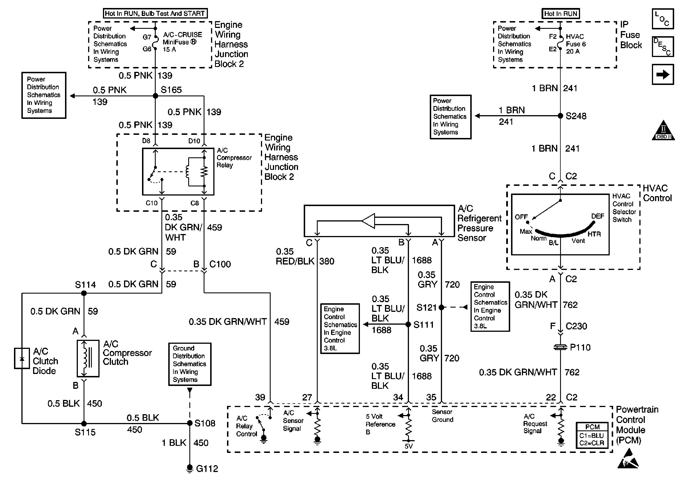
Figure
1:
V6 VIN K
A/C CRUISE and ETC Fuses
A/C CRUISE and ETC Fuses
HVAC and TURN B/U Fuses
HVAC and TURN B/U Fuses
HVAC Components
V8 VIN G
OBD II Symbol Description Notice
A/C HVAC Control
A/C HVAC Control
G112 V6 VIN K
Powertrain Control Module Connector End Views
Compressor Description 3.8 L
Figure
2:
V8 VIN G
HVAC Components
Compressor Description 5.7 L
V6 VIN K
OBD II Symbol Description Notice
A/C CRUISE and ETC Fuses
A/C CRUISE and ETC Fuses
HVAC and TURN B/U Fuses
HVAC and TURN B/U Fuses
A/C Compressor Control
G112 V8 VIN G
Powertrain Control Module Connector End Views