GM Service Manual Online
For 1990-2009 cars only
Makes
🢒
Pontiac
🢒
2000
🢒
Firebird
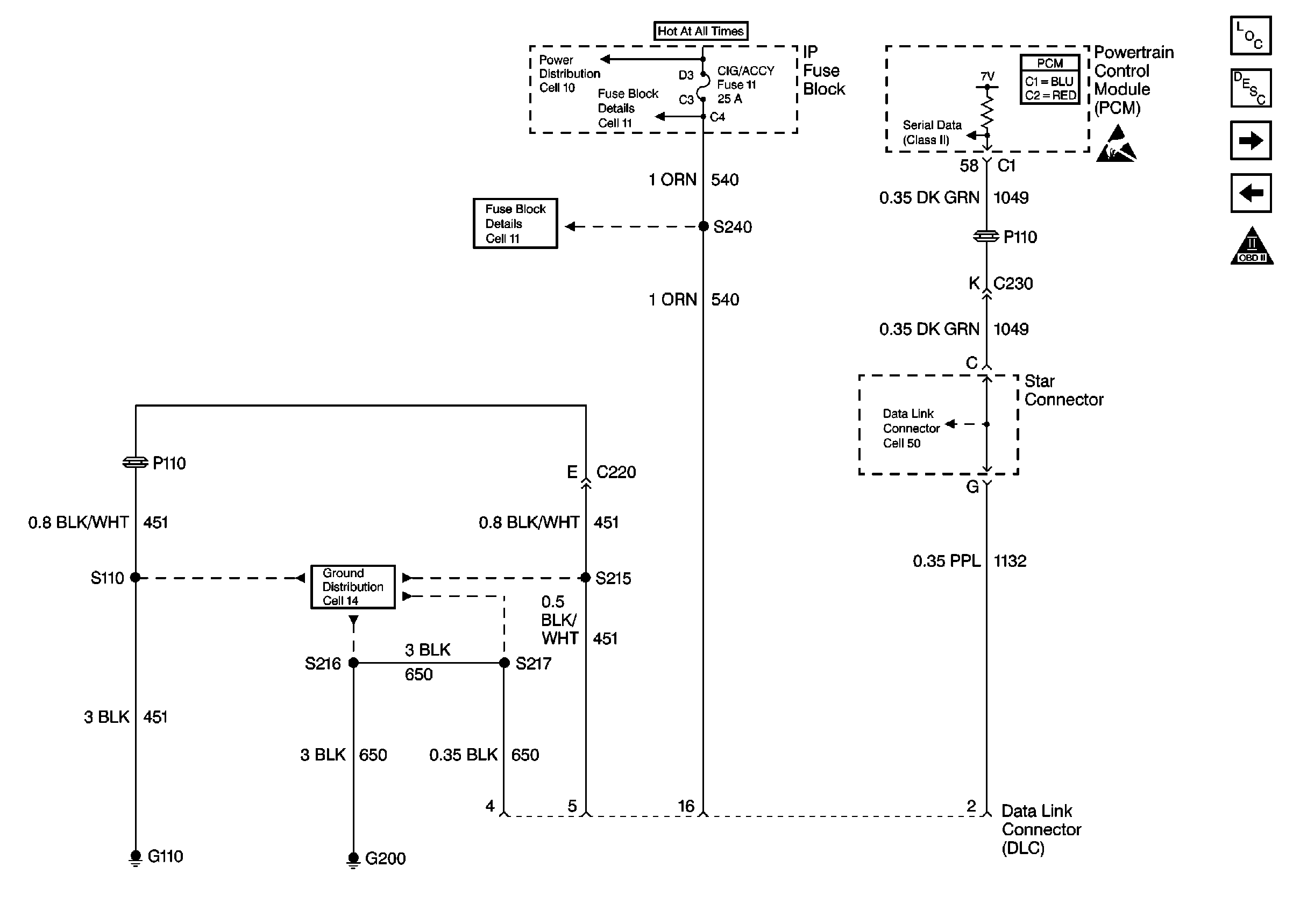
🢒 Data Link Connector (DLC)
Data Link Connector (DLC)
Data Link Connector (DLC)
Engine Controls Components
Powertrain Control Module Description
Bank 1 Ignition Coil/Modules
Power, Ground and MIL
OBD II Symbol Description Notice
Fusible Links, IP Fuse Block, and Underhood Electrical Centers
Fusible Links, IP Fuse Block, and Underhood Electrical Centers
Handling ESD Sensitive Parts Notice
I/P Fuses 7, 9, 10 and 11
G200 DRL, HVAC, Rear Defog
Powertrain Control Module Connector End Views