GM Service Manual Online
For 1990-2009 cars only
Makes
🢒
Pontiac
🢒
2000
🢒
Firebird
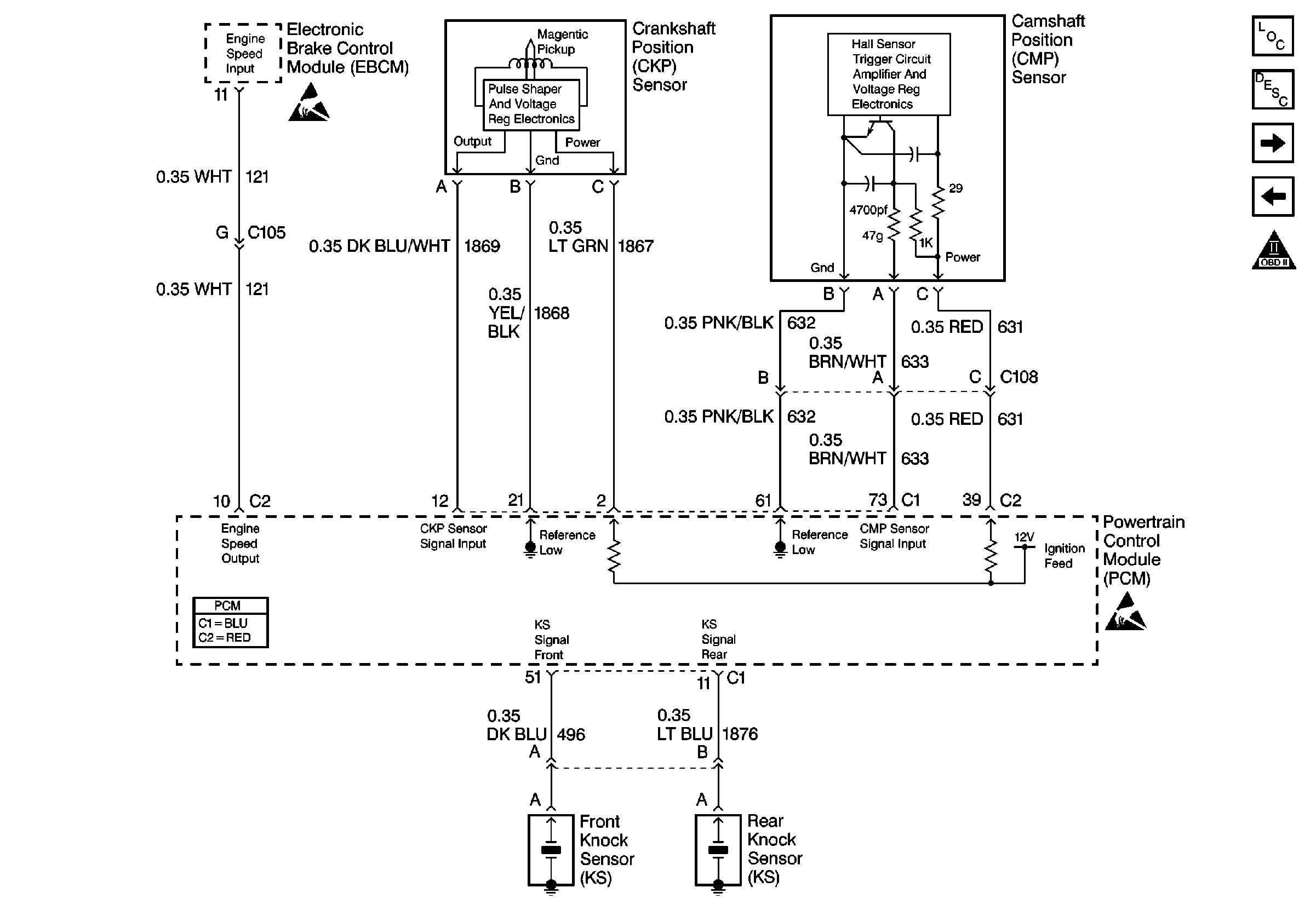
🢒 Engine Speed Output, CKP, CMP and Knock Sensors
Engine Speed Output, CKP, CMP and Knock Sensors
Engine Speed Output, CKP, CMP and Knock Sensors
Engine Controls Components
Electronic Ignition (EI) System Description
Fuel System
Bank 2 Ignition Coil/Modules
OBD II Symbol Description Notice
Handling ESD Sensitive Parts Notice
Handling ESD Sensitive Parts Notice
Powertrain Control Module Connector End Views