GM Service Manual Online
For 1990-2009 cars only
Makes
🢒
Pontiac
🢒
2000
🢒
Firebird
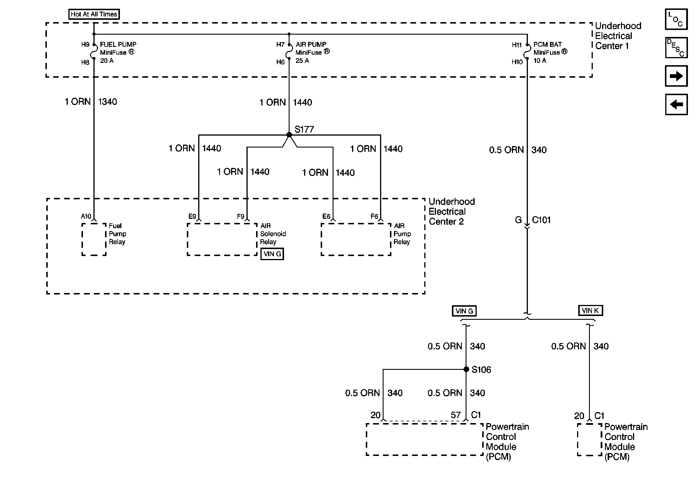
🢒 U/H Center 1: Fuel Pump, AIR Pump and PCM BAT Fuses
U/H Center 1: Fuel Pump, AIR Pump and PCM BAT Fuses
U/H Center 1: Fuel Pump, AIR Pump and PCM BAT Fuses
Power and Grounding Components
U/H Center 2: STRTR, PCM IGN and ABS IGN Fuses
U/H Center 1: Cool Fan, TCS BAT, ABS BAT SOL, RH HDLP Door, LH HDLP Door and Horn Fuses