GM Service Manual Online
For 1990-2009 cars only
Makes
🢒
Pontiac
🢒
2000
🢒
Firebird
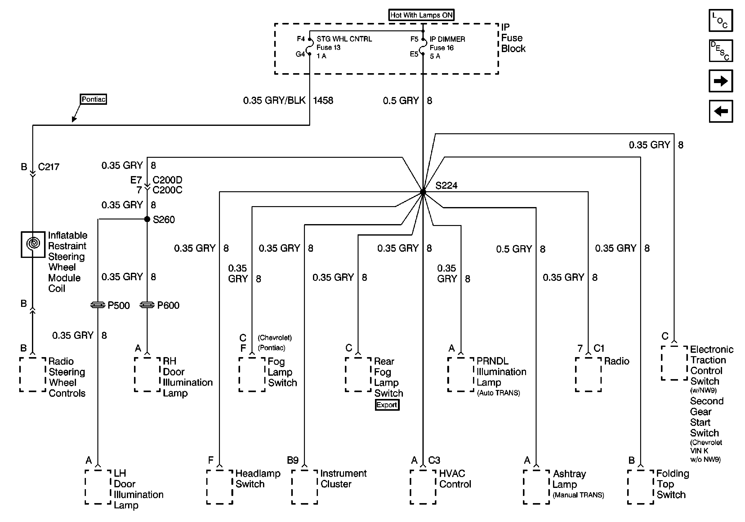
🢒 I/P Fuses 13 and 16
I/P Fuses 13 and 16
I/P Fuses 13 and 16
Power and Grounding Components
I/P Fuses 7, 9, 10 and 11
I/P Fuses 3, 14, 17 and Circuit Breaker 15