GM Service Manual Online
For 1990-2009 cars only
Makes
🢒
Pontiac
🢒
2000
🢒
Firebird
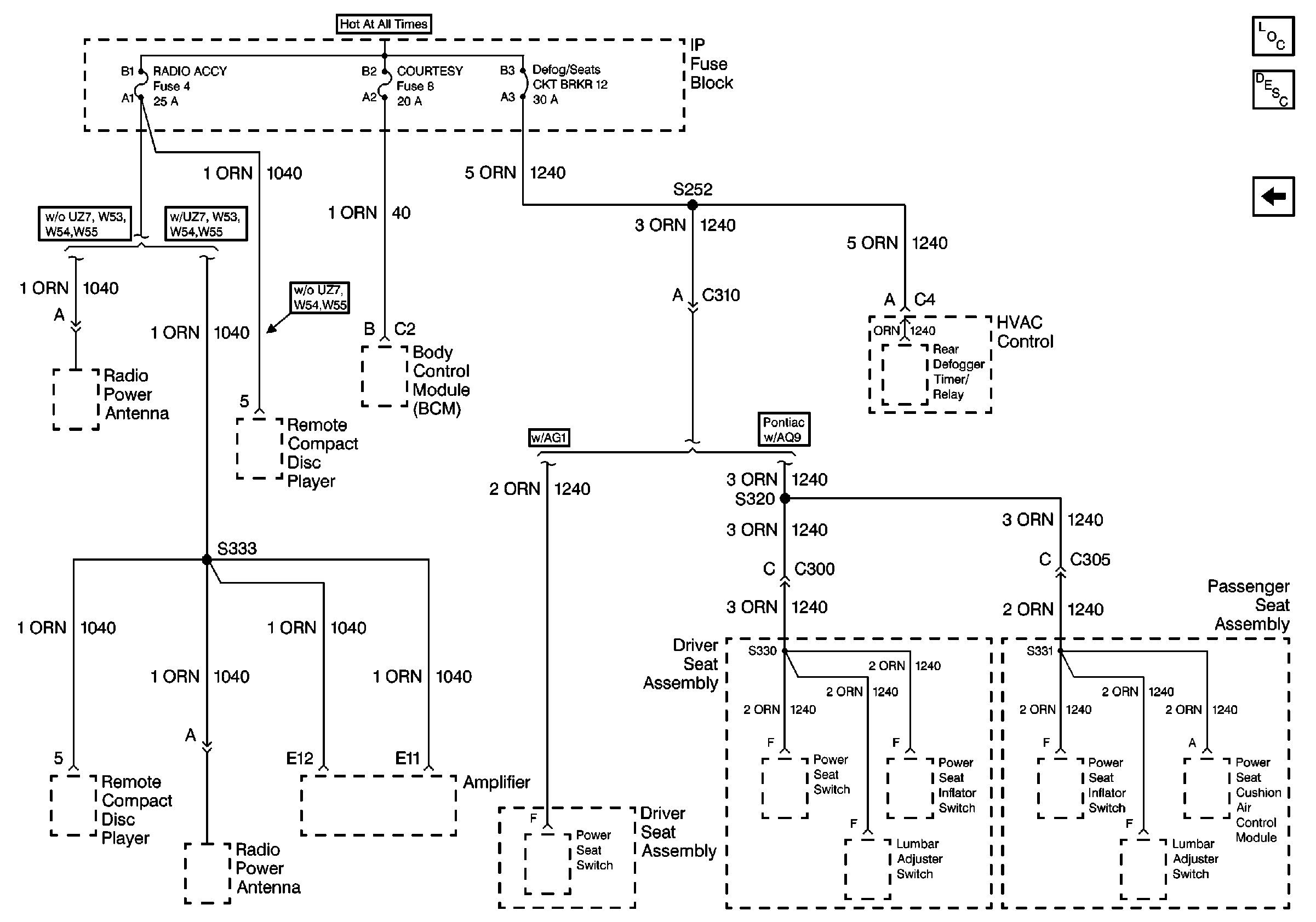
🢒 I/P Fuses 4, 8 and Circuit Breaker 12
I/P Fuses 4, 8 and Circuit Breaker 12
I/P Fuses 4, 8 and Circuit Breaker 12
Power and Grounding Components
I/P Fuses 7, 9, 10 and 11