GM Service Manual Online
For 1990-2009 cars only
Makes
🢒
Pontiac
🢒
2000
🢒
Firebird
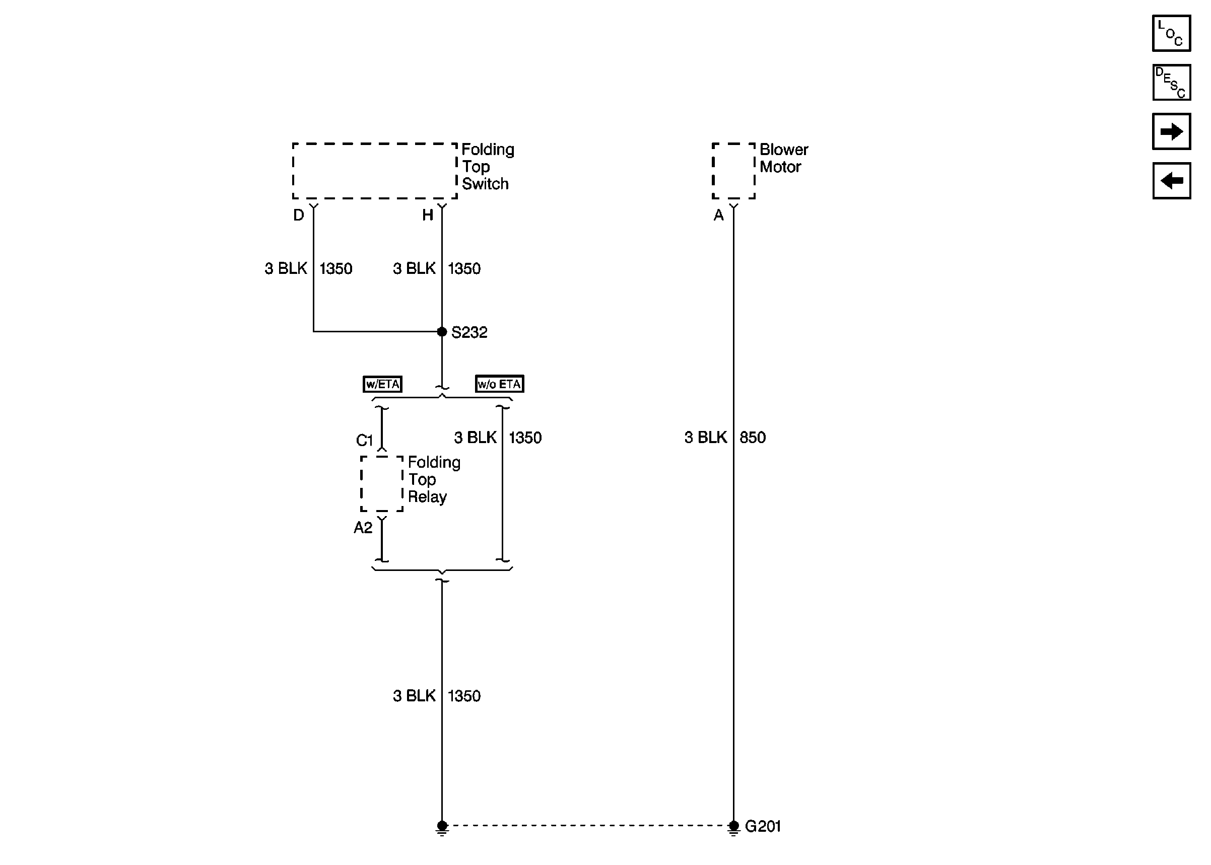
🢒 G201
G201
G201
Power and Grounding Components
G305, G310, G320
G200 BCM, DLC, UTD, Radio