GM Service Manual Online
For 1990-2009 cars only
Makes
🢒
Pontiac
🢒
2000
🢒
Firebird
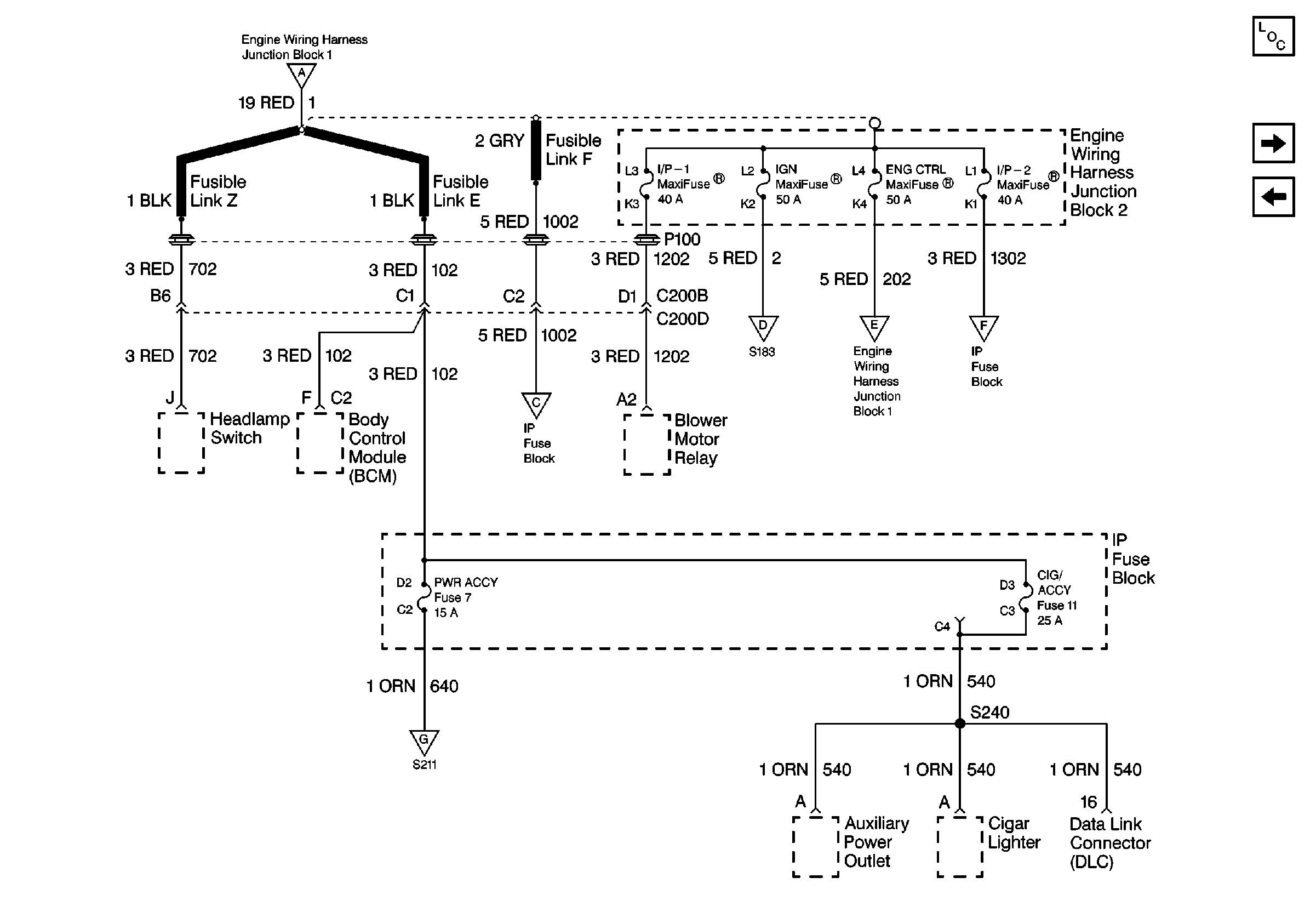
🢒 Fusible Links, CIG/ACCY, ENG CTRL, IGN, I/P-1, I/P-2, and PWR ACCY Fuses
Fusible Links, CIG/ACCY, ENG CTRL, IGN, I/P-1, I/P-2, and PWR ACCY Fuses
Fusible Links, CIG/ACCY, ENG CTRL, IGN, I/P-1, I/P-2, and PWR ACCY Fuses
Power and Grounding Components
COURTESY and RADIO ACCY Fuses
ABS BAT SOL, ABS BAT-2, HORN, H/L DOOR-HORN, LH HDLP DR, RH HDLP DR, and TCS BAT Fuses
Battery, ABS BAT-1 and COOL FAN Fuses
Battery, ABS BAT-1 and COOL FAN Fuses
Ignition Switch
AIR PUMP, FUEL PUMP and PCM BAT Fuses
TAIL LPS and STOP/HAZARD Fuses
TAIL LPS and STOP/HAZARD Fuses