GM Service Manual Online
For 1990-2009 cars only
Makes
🢒
Pontiac
🢒
2000
🢒
Firebird
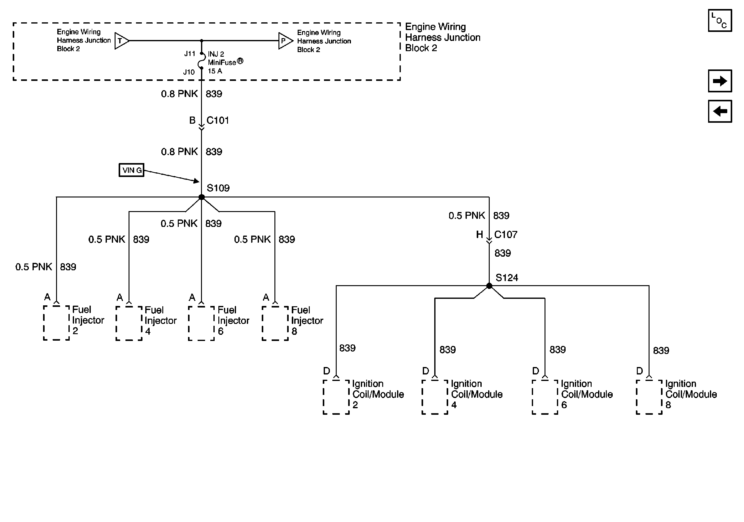
🢒 INJ 2 Fuse
INJ 2 Fuse
INJ 2 Fuse
Power and Grounding Components
ENG SEN Fuse
INJ 1 Fuse
INJ 1 Fuse
ENG SEN Fuse