GM Service Manual Online
For 1990-2009 cars only
Makes
🢒
Pontiac
🢒
2000
🢒
Firebird
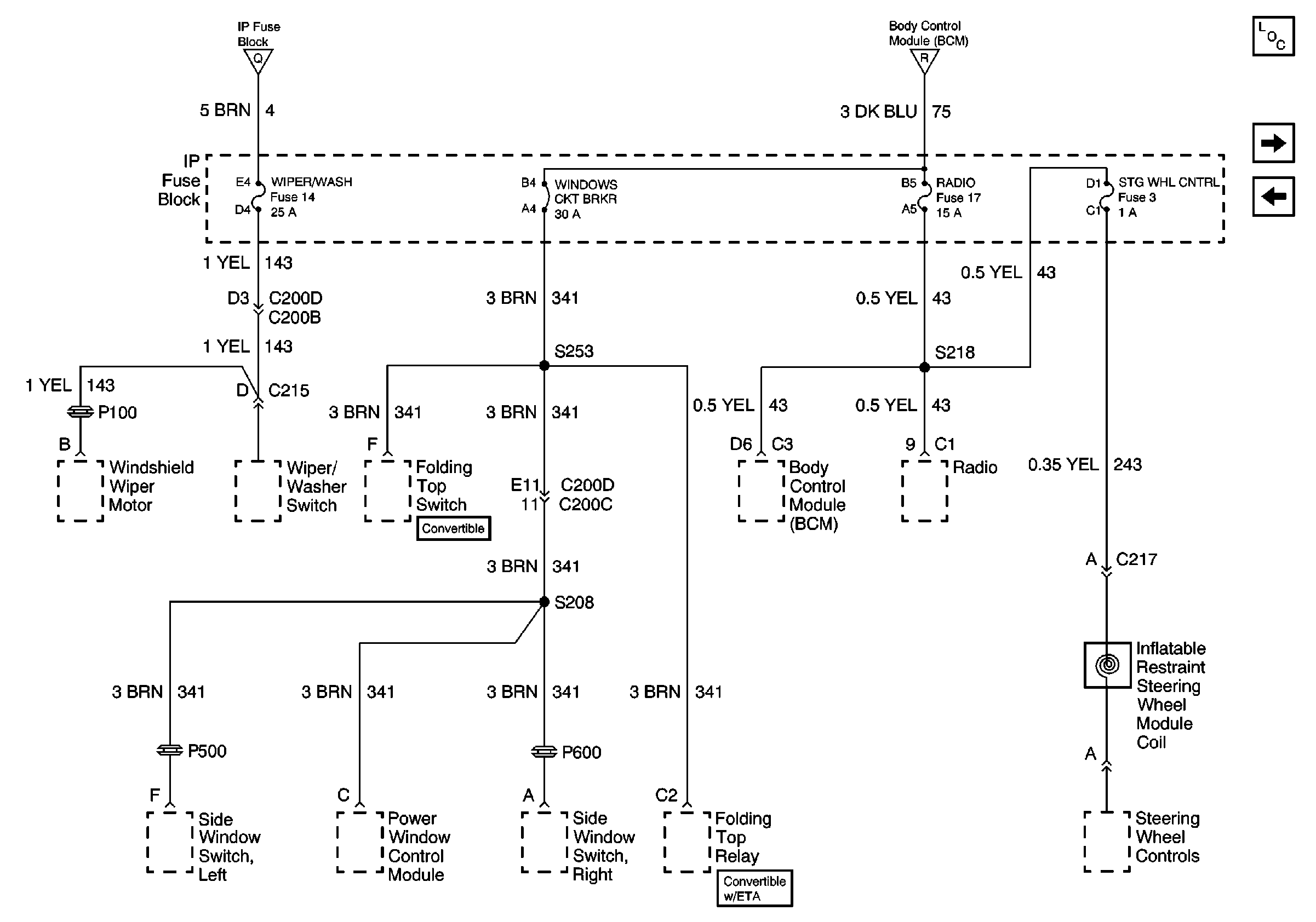
🢒 WINDOWS Circuit Breaker, RADIO, STG WHL CNTRL, and WIPER/WASH Fuses
WINDOWS Circuit Breaker, RADIO, STG WHL CNTRL, and WIPER/WASH Fuses
WINDOWS Circuit Breaker, RADIO, STG WHL CNTRL, and WIPER/WASH Fuses
Power and Grounding Components
HVAC and TURN B/U Fuses
Body Control Module (BCM) and Ignition Switch
Body Control Module (BCM) and Ignition Switch
Body Control Module (BCM) and Ignition Switch