GM Service Manual Online
For 1990-2009 cars only
Makes
🢒
Pontiac
🢒
2000
🢒
Firebird
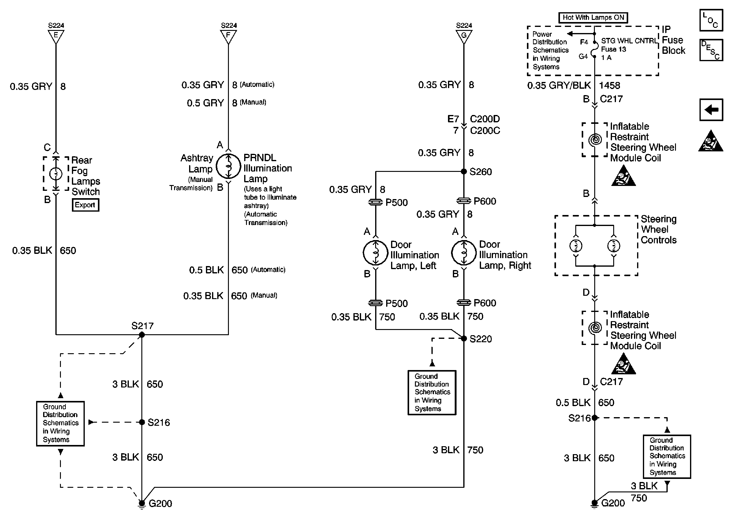
🢒 Interior Illumination Lamps 2 of 2
Interior Illumination Lamps 2 of 2
Interior Illumination Lamps 2 of 2
Lighting Systems Components
Interior Lights Dimming Circuit Description
Interior Illumination Lamps 1 of 2
SIR Handling Caution
Interior Illumination Lamps 1 of 2
Interior Illumination Lamps 1 of 2
Interior Illumination Lamps 1 of 2
IP DIMMER and STG WHL CNTRL Fuses
G200 Splice S220
G200 Splice S220
G200 Splice S220