GM Service Manual Online
For 1990-2009 cars only
Makes
🢒
Pontiac
🢒
2000
🢒
Firebird
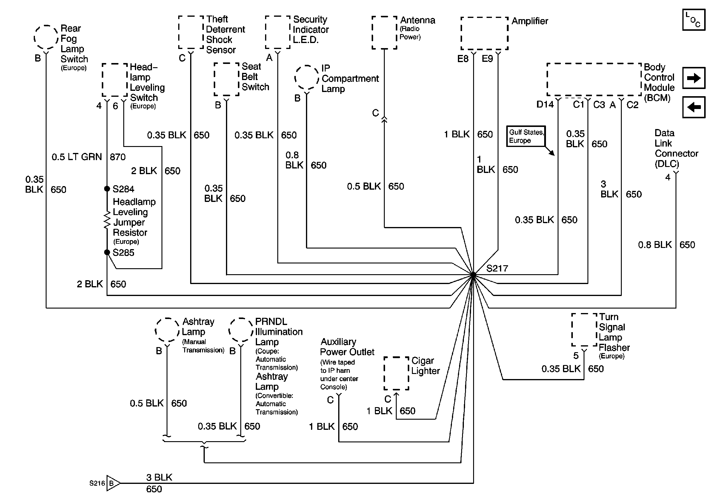
🢒 G200 Splice S217
G200 Splice S217
G200 Splice S217