GM Service Manual Online
For 1990-2009 cars only
Makes
🢒
Pontiac
🢒
2000
🢒
Firebird
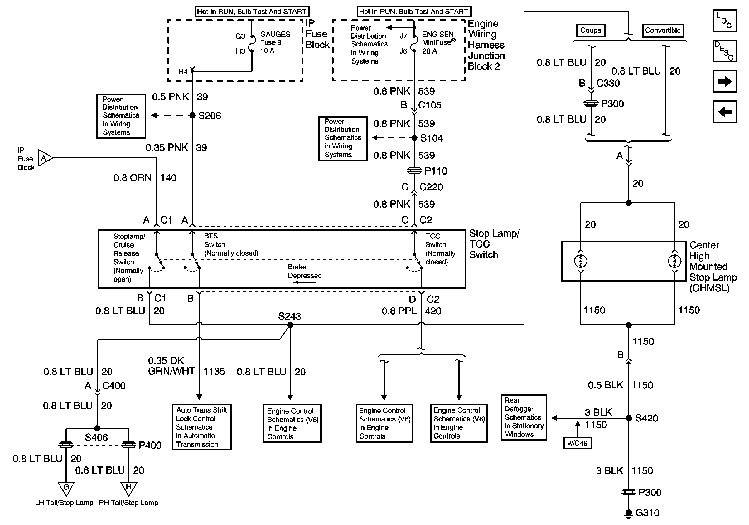
🢒 Center High Mounted Stop Lamp
Center High Mounted Stop Lamp
Center High Mounted Stop Lamp
Lighting Systems Components
Exterior Lights Circuit Description Pont, Chevy Domestic, Gulf States
DRL Module, Side Marker Lamps, Park/Turn Lamps, Fog Lamp Relay
Turn/Hazard Switch, Turn Indicators
HVAC Control, Rear Defogger Grid
Automatic Transmission and Stop Lamp Switch
Automatic Transmission, Brake Switch
TAC Module, Brake Switch, Cruise
AT Shift Lock Control Actuator Solenoid, and Diode
Taillamps, Tail/Stop Lamps, Tail/Stop/Turn Lamps, Side Marker Lamps, License Lamp
Taillamps, Tail/Stop Lamps, Tail/Stop/Turn Lamps, Side Marker Lamps, License Lamp
Turn/Hazard Switch, Turn Indicators
AIR BAG and GAUGES Fuses
ENG SEN Fuse
ENG SEN Fuse