GM Service Manual Online
For 1990-2009 cars only
Makes
🢒
Pontiac
🢒
2000
🢒
Firebird
🢒 Automatic Transmission and Park/Neutral Position Switch
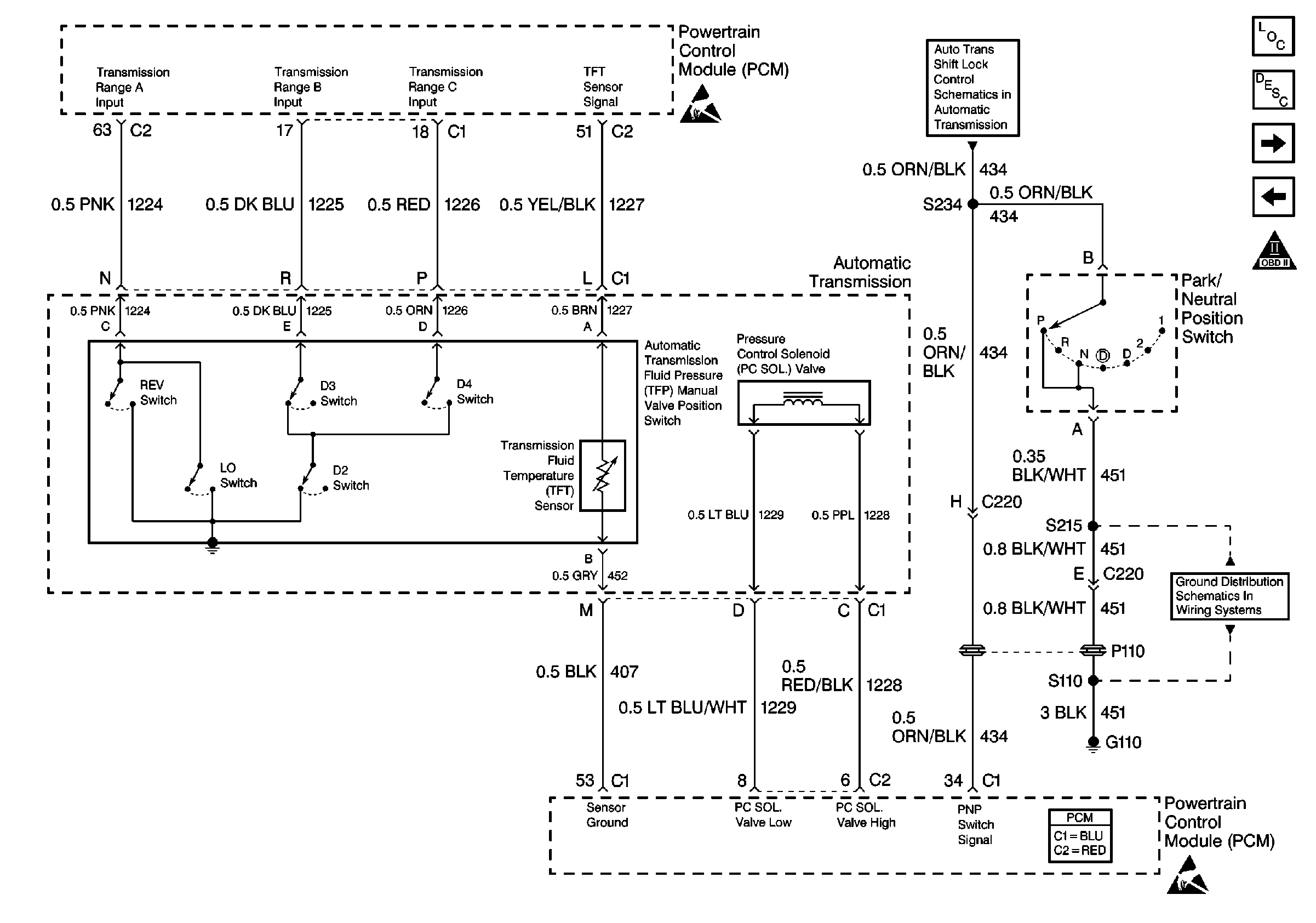
Automatic Transmission and Park/Neutral Position Switch
Automatic Transmission and Park/Neutral Position Switch
Engine Controls Components
Information Sensors/Switches Description
A/C Compressor Control
Automatic Transmission and Stop Lamp Switch
OBD II Symbol Description Notice
Handling ESD Sensitive Parts Notice
Handling ESD Sensitive Parts Notice
AT Shift Lock Control Actuator Solenoid, and Diode
Powertrain Control Module Connector End Views