GM Service Manual Online
For 1990-2009 cars only

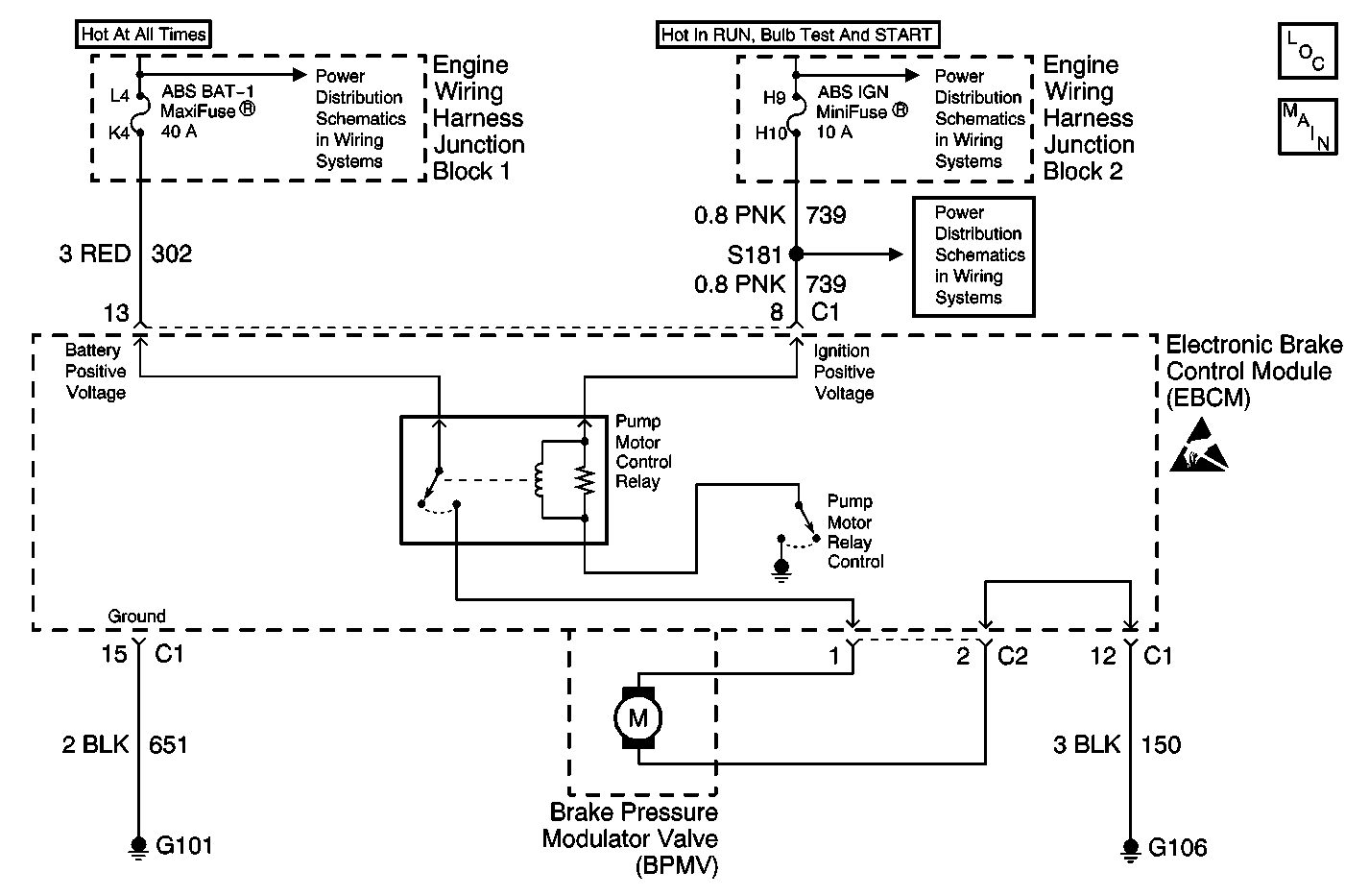
Object Number: 519720  Size: MF
ABS Components
Antilock Brake System Schematics
Antilock Brake System Schematic Icons

Circuit Description

The pump motor is an integral part of the BPMV, while the pump motor relay is integral to the EBCM. The pump motor relay is not engaged during normal system operation. When ABS or TCS operation is required the EBCM activates the pump motor relay and battery power is provided to the pump motor.

Conditions for Setting the DTC

    • Pump motor voltage is not present 60 milliseconds after activation of the pump motor relay.
    • Pump motor voltage is present for more than 2.5 seconds with no activation of the pump motor relay.
    • Pump motor voltage is not present for 40 milliseconds after the pump motor relay is commanded off.

Action Taken When the DTC Sets

    • A malfunction DTC stores.
    • The ABS/TCS disables.
    • The amber ABS/TCS indicator(s) turn on.
    • The Red BRAKE Warning indicator turns on.

Conditions for Clearing the DTC

    • The condition responsible for setting the DTC no longer exists and the scan tool Clear DTCs function is used.
    • 100 ignition cycles pass with no DTCs detected.

       Important: After the DTC is cleared using ignition cycle default, the vehicle must be driven above 12 Km/h (8 mph) for the ABS/TCS indicator(s) to turn off.

Diagnostic Aids

    • It is very important that a thorough inspection of the wiring and connectors be performed. Failure to carefully and fully inspect wiring and connectors may result in misdiagnosis, causing part replacement with reappearance of the malfunction.
    • Thoroughly inspect any circuitry that may be causing the complaint for the following conditions:
       - Backed out terminals
       - Improper mating
       - Broken locks
       - Improperly formed or damaged terminals
       - Poor terminal-to-wiring connections
       - Physical damage to the wiring harness
    • The following conditions may cause an intermittent malfunction:
       - A poor connection
       - Rubbed-through wire insulation
       - A broken wire inside the insulation
    • If an intermittent malfunction exists refer to Testing for Intermittent Conditions and Poor Connections in Wiring Systems.

Test Description

The numbers below refer to step numbers on the diagnostic table.

  1. This step checks for a short to ground in CKT 302.

  2. This step checks for an open in CKT 302.

DTC C0110 Pump Motor Circuit Malfunction

Step

Action

Value(s)

Yes

No

1

Was the Diagnostic System Check performed?

--

Go to Step 2

Go to Diagnostic System Check - ABS

2

Inspect the 40A ABS BATT 1 Maxifuse® , in the Underhood Electrical Center 1.

Is the fuse OK?

--

Go to Step 7

Go to Step 3

3

  1. Install a new 40A ABS BATT Maxifuse®.
  2. Cycle the ignition switch from the OFF to RUN position, engine OFF.
  3. Using a scan tool in ABS/TCS Special Functions attempt to run the AUTOMATED test.
  4. Recheck the 40A ABS BATT 1 Maxifuse® fuse.

Is the fuse OK?

--

Go to Step 16

Go to Step 4

4

  1. Turn the Ignition switch to the OFF position.
  2. Remove the 40A ABS BATT 1 Maxifuse®.
  3. Disconnect the EBCM connector C1.
  4. Connect the J 39700 Universal Pinout Box using the J 39700-530 cable adapter to the EBCM harness connector only.
  5. Using J 39200 DMM, measure the resistance between terminals 13 and 15 of J 39700 .

Is the resistance within the range specified in the value(s) column?

OL (infinite)

Go to Step 5

Go to Step 12

5

  1. Disconnect the EBCM pump motor connector C2.
  2. Connect a 10A fused jumper wire between the pump motor connector C2 terminal 1 and battery voltage.
  3. Connect a jumper wire between the pump motor connector C2 terminal 2 and ground. Only attempt to run the pump motor for 5 seconds.
  4. Disconnect the jumper wires.
  5. Inspect the 10A fuse in the jumper wire.

Is the fuse OK?

--

Go to Step 11

Go to Step 6

6

Replace the BPMV. Refer to Brake Pressure Modulator Valve Replacement .

Is the replacement complete?

--

Go to Step 16

--

7

  1. Turn the Ignition switch to the OFF position.
  2. Disconnect the EBCM connector C1.
  3. Connect J 39700 Universal Pinout Box using the J 39700-530 cable adaptor to the EBCM harness connector C1 only.
  4. Using J 39200 DMM, measure the resistance between terminals 12 and 15 of J 39700 .

Is the resistance within the range specified in the value(s) column?

0-5 ohms

Go to Step 9

Go to Step 8

8

Repair CKT 150 for an open or high resistance. Refer to Wiring Repairs .

Is the repair complete?

--

Go to Step 16

--

9

  1. Install the fuse if removed.
  2. Using J 39200 DMM, measure the voltage at the 40A ABS BATT 1 Maxifuse® by probing between the fuse test terminals and a good ground.

Is the voltage within the range specified in the value(s) column?

B+

Go to Step 10

Go to Power Distribution Schematics in Electrical Diagnosis

10

Using J 39200 DMM, measure the voltage at terminal 13 of J 39700 .

Is the voltage within the range specified in the value(s) column?

B+

Go to Step 14

Go to Step 13

11

Replace EBCM. Refer to Electronic Brake Control Module Replacement .

Is the replacement complete?

--

Go to Diagnostic System Check - ABS

--

12

Repair short to ground in CKT 302. Refer to Wiring Repairs .

Is the repair complete?

--

Go to Step 16

--

13

Repair open in CKT 302. Refer to Wiring Repairs .

Is the repair complete?

--

Go to Step 16

--

14

  1. Disconnect the EBCM pump motor connector C2.
  2. Connect a 10A fused jumper wire between the pump motor connector C2 terminal 1 and B+.
  3. Connect a jumper wire between the pump motor connector C2 terminal 2 and ground. Only attempt to run the pump motor for 5 seconds.
  4. Disconnect the jumper wires.
  5. Inspect the 10A fuse in the jumper wire.

Is the fuse OK?

--

Go to Step 15

Go to Step 6

15

  1. Zero the J 39200 DMM leads.
  2. Using J 39200 DMM, measure the resistance between terminals 1 and 2 of the pump motor connector C2.

Is the resistance within the range specified in the value(s) column?

0-4 ohms

Go to Step 11

Go to Step 6

16

  1. Reconnect all previously disconnected components.
  2. Using a scan tool clear the DTC.
  3. Remove the scan tool from the DLC.
  4. Carefully drive the vehicle above 12 Km/h (8 mph) for several minutes.

Does the DTC reset as a current DTC?

--

Go to Step 2

Go to Diagnostic System Check - ABS