GM Service Manual Online
For 1990-2009 cars only

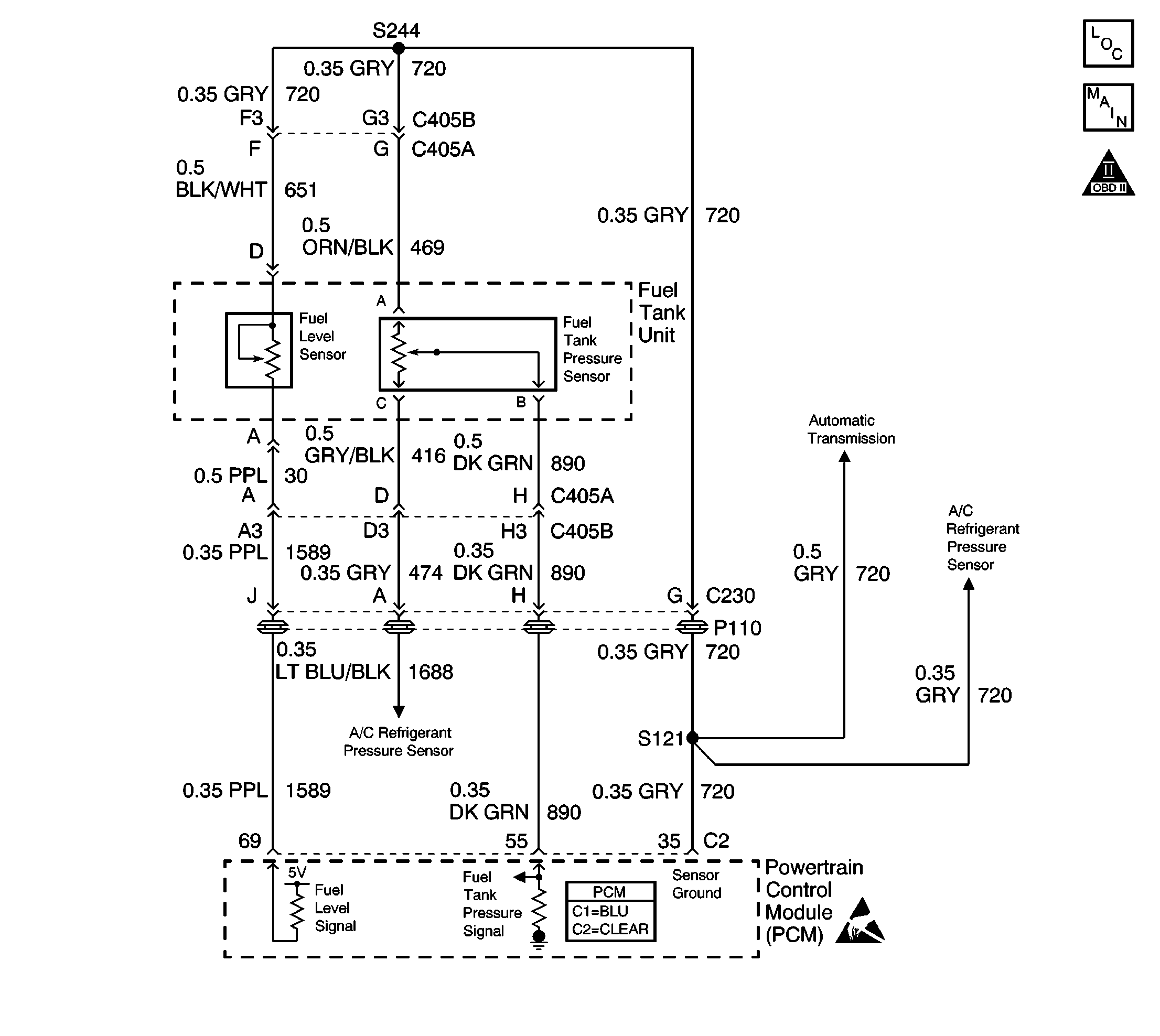
Object Number: 594230  Size: LF
Engine Controls Components
Engine Controls Schematics
OBD II Symbol Description Notice
Handling ESD Sensitive Parts Notice
Handling ESD Sensitive Parts Notice

Circuit Description

The PCM monitors the fuel tank pressure sensor signal to detect vacuum decay and excess vacuum during the enhanced EVAP diagnostic. The fuel tank pressure sensor measures the difference between the air pressure (or vacuum) in the tank and the outside air pressure. The PCM applies a 5.0 volt reference and ground to the sensor. The sensor will return a signal voltage between 0.06 and 4.9 volts. If the PCM detects a fuel tank pressure sensor signal that is excessively low, DTC P0452 will set.

Conditions for Running the DTC

The ignition is ON.

Conditions for Setting the DTC

    • The fuel tank pressure sensor signal is less than 0.06 volts.
    • The conditions is present for 5 seconds.

Action Taken When the DTC Sets

    • The PCM will illuminate the malfunction indicator lamp (MIL) during the second consecutive trip in which the diagnostic test has been run and failed.
    • The PCM will store conditions which were present when the DTC set as Freeze Frame/Failure Records data.

Conditions for Clearing the MIL/DTC

    • The PCM will turn OFF the malfunction indicator lamp (MIL) during the third consecutive trip in which the diagnostic has run and passed.
    • The history DTC will clear after 40 consecutive warm-up cycles have occurred without a malfunction.
    • The DTC can be cleared by using a scan tool.

Diagnostic Aids

Continue the diagnosis at step 4 if you were sent here from one of the EVAP diagnostic tables.

Inspect for the following:

    • Poor connection at the PCM or fuel tank pressure sensor.
        Inspect harness connectors for backed out terminals, improper mating broken locks, improperly formed or damaged terminals, and poor terminal to wire connection.
    • Damaged harness.
        Inspect the wiring harness for damage. If the harness appears to be OK, observe the fuel tank pressure sensor display on the scan tool while moving connectors and wiring related to the sensor. A change in the display will indicate the location of the malfunction.

Test Description

The numbers below refer to the step numbers on the diagnostic table.

  1. This vehicle is equipped with a PCM which utilizes an Electrically Erasable Programmable Read Only Memory (EEPROM). When the PCM is being replaced, the new PCM must be programmed.

DTC P0452 Fuel Tank Pressure Sensor Low Voltage

Step

Action

Values

Yes

No

1

Did you perform the Powertrain On-Board Diagnostic (OBD) System Check?

--

Go to Step 2

Go to Powertrain On Board Diagnostic (OBD) System Check

2

Important: If DTC P1639 is set, refer to DTC P1639 5 Volt Reference 2 Circuit .

  1. Turn ON the Ignition, with the engine OFF.
  2. With a scan tool, observe fuel tank pressure sensor voltage parameter.

Does the scan tool indicate voltage less than the specified value?

0.3V

Go to Step 4

Go to Step 3

3

Important: Continue the diagnosis at step 4 if you were sent here from one of the EVAP diagnostic tables.

Operate the vehicle within Fail Record conditions.

Does the scan tool indicate DTC P0452 failed this ignition?

--

Go to Step 4

Go to Diagnostic Aids

4

  1. Disconnect the fuel tank pressure sensor connector.
  2. Connect a jumper between the signal circuit and the 5 volt reference A circuit.
  3. With a scan tool , observe fuel tank pressure sensor voltage parameter.

Does the scan tool indicate voltage near the specified value?

5V

Go to Step 8

Go to Step 5

5

Using a DMM, measure voltage between the 5 volt reference A circuit and the ground circuit.

Does the voltage measure at or near the specified value?

5V

Go to Step 9

Go to Step 6

6

  1. Turn OFF the ignition.
  2. Disconnect the PCM.
  3. Inspect the 5 volt reference A circuit for a poor connection at the PCM. Refer to Testing for Intermittent Conditions and Poor Connections and Connector Repairs in Wiring Systems.

Did you find and correct the condition?

--

Go to Step 13

Go to Step 7

7

Test the 5 volt reference A circuit for an open or high resistance. Refer to Circuit Testing and Wiring Repairs in Wiring Systems.

Did you find and correct the condition?

--

Go to Step 13

Go to Step 12

8

Inspect for poor connections at the fuel tank pressure sensor. Refer to Testing for Intermittent Conditions and Poor Connections and Connector Repairs in Wiring Systems.

Did you find and correct the condition?

--

Go to Step 13

Go to Step 11

9

  1. Turn OFF the ignition.
  2. Disconnect the PCM.
  3. Inspect the signal circuit for a poor connection at the PCM. Refer to Testing for Intermittent Conditions and Poor Connections and Connector Repairs in Wiring Systems.

Did you find and correct the condition?

--

Go to Step 13

Go to Step 10

10

Test the signal circuit for an open, short to ground, or short to the sensor ground circuit. Refer to Circuit Testing and Wiring Repairs in Wiring Systems.

Did you find and correct the condition?

--

Go to Step 13

Go to Step 12

11

Replace the fuel tank pressure sensor. Refer to Fuel Tank Pressure Sensor Replacement

Did you complete the replacement?

--

Go to Step 13

--

12

Important:: The replacement PCM must be programmed.

Replace the PCM.

Refer to Powertrain Control Module Replacement/Programming .

Did you complete the replacement?

--

Go to Step 13

--

13

  1. Use the scan tool in order to clear the DTCs.
  2. Operate the vehicle within Fail Record conditions.

Does the DTC reset?

--

Go to Step 2

System OK