GM Service Manual Online
For 1990-2009 cars only

DTC 22/32 Courtesy Lamps Return Shorted to Battery Coupe


Object Number: 506914  Size: LF
Body Control Module Components
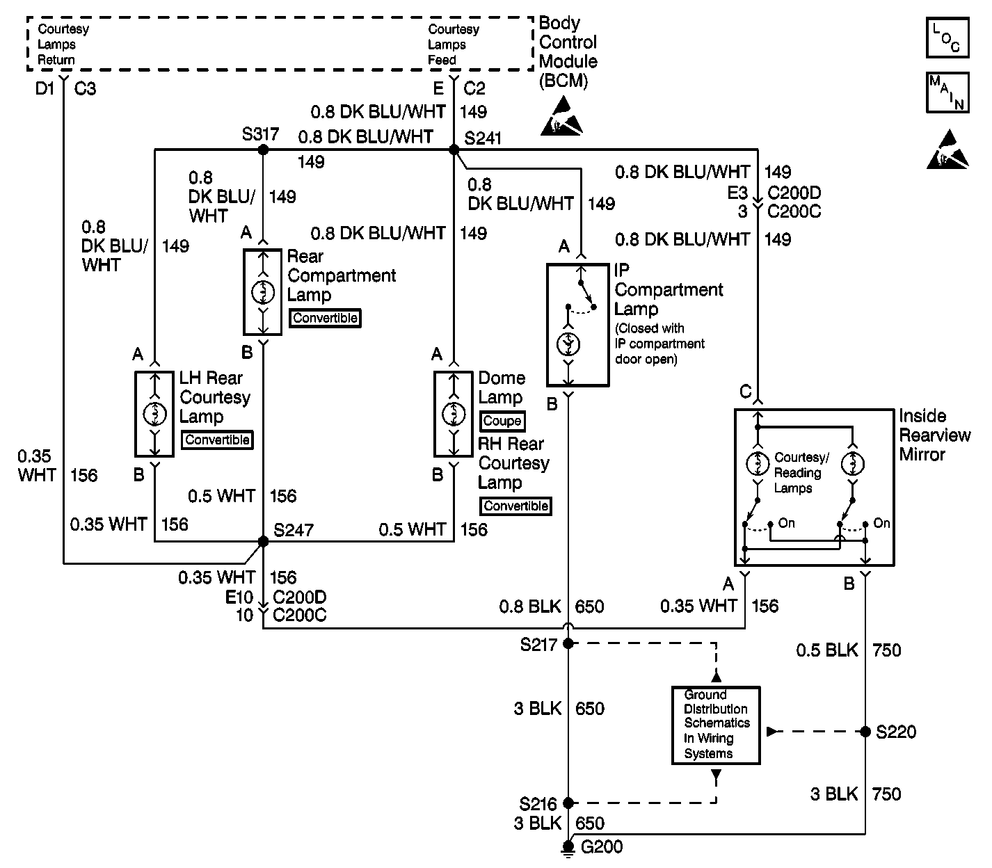
Body Control Module and Courtesy Lamps
Handling ESD Sensitive Parts Notice
G200 Splice S220

Circuit Description

The following inputs command the body control module (BCM) to provide a ground path to the courtesy lamps through circuit 156 to S247:

    • The instrument panel (IP) dimmer switch input
    • The right side door lock input
    • The left side door lock input
    • The rear compartment lid ajar indication switch input

S247 distributes the ground through circuit 156 to the following components:

    • The dome lamp
    • The courtesy/reading lamps

Conditions for Setting the DTC

Circuit 156 (courtesy lamps return) is shorted to B+ for greater than 50 milliseconds, while the BCM is attempting to ground the circuit. The BCM grounds circuit 156 if one of the following actions occurs:

    • Either door is opened.
    • The rear compartment lid is opened.
    • The IP dimmer switch is turned on.

Action Taken When the DTC Sets

    • DTC 22 will set.
    •  There is no courtesy lighting in the vehicle.
    • The IP dimmer switch is inoperative.
    • The IP compartment lamp operates normally.
    • The BCM will read out a series of flash codes upon entering the diagnostic mode.

Conditions for Clearing the DTC

The fault is corrected and the DTC memory is cleared.

Diagnostic Aids

If the only DTC that flashes is a HISTORY code (DTC 32), the problem may be intermittent. Perform the test shown while wiggling the wiring and connectors. This can often cause the fault to appear. Test for a poor connections at the BCM connector, which could cause an open or an intermittent fault. Refer to Diagnostic Trouble Code (DTC) Displaying Displaying DTCs .

Test Description

The numbers below refer to the step numbers on the diagnostic table.

  1. This step tests circuit 156 for a short to B+ with the body control module disconnected.

  2. Knowing that there is a short to B+ in circuit 156, this test isolates the short to one side of connector C200.

  3. Knowing that the short is in the C200C side of circuit 156, this test isolates the short to either the harness or the rearview mirror.

  4. This step tests for a short between circuit 156 and circuit 149.

Step

Action

Value(s)

Yes

No

1

Did you perform the Diagnostic System Check?

--

Go to Step 2

Go to Diagnostic System Check - Lighting Systems

2

  1. Disconnect body control module (BCM) connector C2 and connector C3.
  2. Close the instrument panel compartment.
  3. Turn the ignition switch to the RUN position.
  4. Connect a test lamp from BCM connector C3 terminal D1 to ground. Refer to Circuit Testing in Wiring Systems.

Does the test lamp illuminate?

--

Go to Step 3

Go to Step 8

3

  1. Leave the test lamp connected.
  2. Disconnect connector C200C from connector C200D.

Does the test lamp illuminate?

--

Go to Step 4

Go to Step 5

4

Repair a short B+ in circuit 156, between C200D and the BCM. Refer to Wiring Repairs in Wiring Systems.

Is the repair complete?

--

System OK

--

5

  1. Leave the test lamp connected.
  2. Connect connector C200C to C200D.
  3. Disconnect the rearview mirror connector.

Does the test lamp illuminate?

--

Go to Step 5

Go to Step 6

6

Repair a short to B+ in circuit 156, between C200C and the rearview mirror. Refer to Wiring Repairs in Wiring Systems.

Is the repair complete?

--

System OK

--

7

Replace the rearview mirror.

Is the repair complete?

--

System OK

--

8

  1. Turn the rearview mirror courtesy/reading lamp switches on.
  2. Remove the bulb from the dome lamp socket.

Using a DMM, test the resistance between BCM connector C2 terminal E and connector C3 terminal D1. Refer to Circuit Testing in Wiring Systems.

Does the DMM read infinite resistance?

Infinite

Go to Step 9

Go to Step 10

9

  1. Inspect and repair the lamp sockets for conditions which could cause the socket to short with the bulb installed.
  2. Inspect and repair exposed filament wires on the base of the bulbs for a shorted condition.

Did you find and repair either condition?

--

System OK

Go to Step 11

10

Repair the short between circuit 156 and circuit 149. Refer to Wiring Repairs in Wiring Systems.

Is the repair complete?

--

System OK

--

11

Important: Perform the set up procedure for the body control module (BCM).

Replace the BCM. Refer to Body Control Module Replacement in Body Control System.

Did you complete the replacement?

--

System OK

--

DTC 22/32 Courtesy Lamps Return Shorted to Battery Convertible


Object Number: 506914  Size: LF
Body Control Module Components
Body Control Module and Courtesy Lamps
Handling ESD Sensitive Parts Notice
G200 Splice S220

Circuit Description

The following inputs command the body control module (BCM) to provide a ground path to the courtesy lamps through circuit 156 to S247:

    • The instrument panel (IP) dimmer switch input
    • The right side door lock input
    • The left side door lock input
    • The rear compartment lid ajar indication switch

S247 distributes the ground through circuit 156 to the following components:

    • The right and left rear courtesy lamps
    • The rear compartment lamp
    • The courtesy/reading lamps

Conditions for Setting the DTC

Circuit 156 (courtesy lamps return) is shorted to B+ for greater than 50 milliseconds, while the BCM is attempting to ground the circuit. The BCM grounds circuit 156 if one of the following actions occurs:

    • Either door is opened.
    • The rear compartment lid is opened.
    • The IP dimmer switch is turned on.

Action Taken When the DTC Sets

    • DTC 22 will set.
    • There is no courtesy lighting in the vehicle.
    • The IP dimmer switch is inoperative.
    • The IP compartment lamp operates normally.
    • The BCM will read out a series of flash codes upon entering the diagnostic mode.

Conditions for Clearing the MIL/DTC

The fault is corrected and the DTC memory is cleared.

Diagnostic Aids

If the only DTC that flashes is a HISTORY code (DTC 32), the problem may be intermittent. Perform the test shown while wiggling the wiring and connectors. This can often cause the fault to appear. Test for a poor connections at the BCM connector, which could cause an open or an intermittent fault. Refer to Diagnostic Trouble Code (DTC) Displaying Displaying DTCs .

Test Description

The numbers below refer to the step numbers on the diagnostic table.

  1. This step tests circuit 156 for a short to B+ with the body control module disconnected.

  2. Knowing that there is a short to B+ in circuit 156, this test isolates the short to one side of connector C200.

  3. Knowing that the short is in the C200C side of circuit 156, this test isolates the short to either the harness or the rearview mirror.

  4. This step tests for a short between circuit 156 and circuit 149.

Step

Action

Value(s)

Yes

No

1

Did you perform the Diagnostic System Check?

--

Go to Step 2

Go to Diagnostic System Check - Lighting Systems

2

  1. Disconnect the body control module (BCM) connector C2 and the body control module (BCM) connector C3.
  2. Close the instrument panel compartment.
  3. Turn the ignition switch to the RUN position.
  4. Connect a test lamp from BCM connector C3 terminal D1 to ground. Refer to Circuit Testing in Wiring Systems.

Does the test lamp illuminate?

--

Go to Step 3

Go to Step 8

3

  1. Leave the test lamp connected.
  2. Disconnect connector C200C from connector C200D.

Does the test lamp illuminate?

--

Go to Step 4

Go to Step 5

4

Repair a short B+ in circuit 156, between C200D and the BCM. Refer to Wiring Repairs in Wiring Systems.

Is the repair complete?

--

System OK

--

5

  1. Leave the test lamp connected.
  2. Connect connector C200C to C200D.
  3. Disconnect the rearview mirror connector.

Does the test lamp illuminate?

--

Go to Step 6

Go to Step 7

6

Repair a short to B+ in circuit 156, between C200C and the rearview mirror. Refer to Wiring Repairs in Wiring Systems.

Is the repair complete?

--

System OK

--

7

Replace the rearview mirror.

Is the repair complete?

--

System OK

--

8

  1. Turn the rearview mirror courtesy/reading lamp switches to the ON position.
  2. Remove the bulb from the following areas:
  3. • The left rear courtesy lamp socket
    • The right rear courtesy lamp socket
    • The rear compartment lamp socket

Using a DMM, test the resistance between BCM connector C2 terminal E and connector C3 terminal D1. Refer to Circuit Testing in Wiring Systems.

Does the DMM read infinite resistance?

Infinite

Go to Step 9

Go to Step 10

9

  1. Inspect and repair the lamp sockets for conditions which could cause the socket to short with the bulb installed.
  2. Inspect and repair exposed filament wires on the base of the bulbs for a shorted condition.

Did you find and repair either condition?

--

System OK

Go to Step 11

10

Repair the short between circuit 156 and circuit 149. Refer to Wiring Repairs in Wiring Systems.

Is the repair complete?

--

System OK

--

11

Important: Perform the set up procedure for the body control module (BCM).

Replace the BCM. Refer to Body Control Module Replacement in Body Control System.

Did you complete the replacement?

--

System OK

--