GM Service Manual Online
For 1990-2009 cars only

Removal Procedure


    Object Number: 639817  Size: SH
  1. Install the engine support fixture to the engine. Refer to Engine Support Fixture .
  2. Disconnect the front brake pipes from the brake pressure modulator valve (BPMV).
  3. Plug or cap the brake pipes and BPMV to prevent contamination.
  4. Remove the starter motor. Refer to Starter Motor Replacement in Engine Electrical.
  5. Remove the oil drain plug in order to allow the oil to drain.
  6. Install the engine oil drain plug until snug.

  7. Object Number: 178469  Size: SH
  8. Remove the oil filter in order to allow the oil to drain.

  9. Object Number: 220585  Size: SH
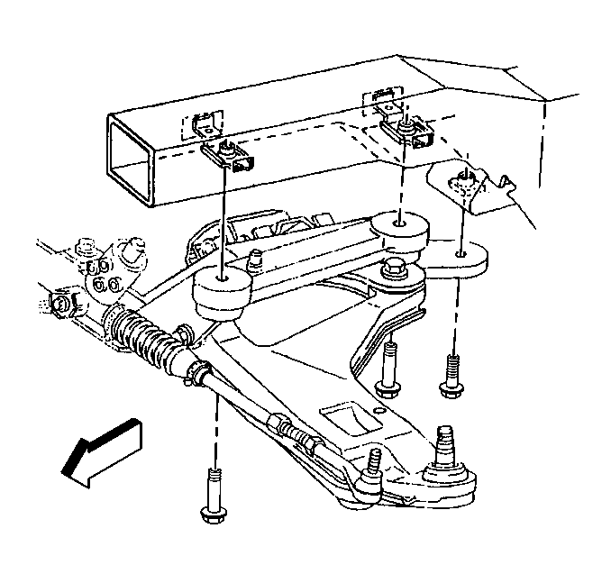
  10. Remove the right side engine mount bracket bolts.

  11. Object Number: 220588  Size: SH
  12. Remove the left side engine mount bracket bolts.

  13. Object Number: 181095  Size: SH
  14. Remove the right and left end link nuts (7).
  15. Remove the right and left end links (3) and sleeves (5).

  16. Object Number: 220629  Size: SH
  17. Remove the right and left side shock absorber lower mounting bolts.

  18. Object Number: 220630  Size: SH
  19. Remove the intermediate steering shaft bolt.
  20. Position the steering shaft out of the way.

  21. Object Number: 290561  Size: MH
  22. Remove the power steering gear nuts (4) and bolts (1).
  23. Separate the gear from the crossmember and support.

  24. Object Number: 346036  Size: SH
  25. Disconnect the left and right side wheel speed sensor electrical connectors.
  26. If necessary, disconnect the heated oxygen sensor (HO2S) electrical connectors.

  27. Object Number: 173551  Size: SH
  28. Remove the front fuel pipe heat shield nuts (1).
  29. Remove the front fuel pipe heat shield (2).
  30. Remove the front brake pipes from the retaining clip.

  31. Object Number: 220633  Size: SH
  32. Disconnect the oil level sensor electrical connector.

  33. Object Number: 178467  Size: SH
  34. Remove the oil level sensor from the oil pan (if necessary).

  35. Object Number: 208464  Size: SH
  36. Remove the right transmission cover and bolt.

  37. Object Number: 208478  Size: SH
  38. Remove the left transmission cover and bolt.

  39. Object Number: 220632  Size: SH
  40. Support the crossmember with a suitable jack.
  41. Remove the crossmember bolts.
  42. Lower the crossmember.

  43. Object Number: 451962  Size: SH
  44. Remove the bottom two transmission bellhousing bolts.
  45. Remove the oil pan bolts (1).
  46. Important: Use care not to gouge, score, or damage the oil pan sealing surface.

  47. Rotate the oil pan until it can be removed from around the oil pump screen.

  48. Object Number: 384699  Size: SH

    Important: DO NOT allow foreign material to enter the oil passages of the oil pan, cap or cover the openings as required.

  49. Drill out the oil pan gasket rivets (2), if necessary.
  50. Discard the gasket (1) and rivets.

Installation Procedure

Important: 

   • All gasket surfaces should be free of oil or other foreign material during assembly.
   • The alignment of the structural oil pan is critical. The rear bolt hole locations of the oil pan provide mounting points for the transmission housing. To ensure the rigidity of the powertrain and correct transmission alignment, it is important that the rear of the block and the rear of the oil pan are flush. The rear of the oil pan must NEVER protrude beyond the engine block and transmission housing plane.


    Object Number: 451897  Size: SH
  1. Apply a 5 mm (0.2 in) bead of sealant GM P/N 12378190 or equivalent 20 mm (0.8 in) long to the engine block.
  2. Apply the sealant directly onto the tabs of the front cover gasket that protrude into the oil pan surface.

  3. Object Number: 451898  Size: SH
  4. Apply a 5 mm (0.2 in) bead of sealant GM P/N 12378190 or equivalent 20 mm (0.8 in) long to the engine block.
  5. Apply the sealant directly onto the tabs of the rear cover gasket that protrude into the oil pan surface.

  6. Object Number: 451962  Size: SH

    Important: Be sure to align the oil gallery passages in the oil pan and engine block properly with the oil pan gasket.

  7. Pre-assemble the oil pan gasket (2) to the pan (1).
  8. 5.1. Install the gasket onto the pan (2).
    5.2. Install the oil pan bolts (1) to the pan and through the gasket.
  9. Install the oil pan (2), gasket and bolts (1) to the engine block.
  10. Tighten the oil pan bolts (1) until snug. Do not overtighten.
  11. Install the two lower transmission housing bolts in order to correctly align the oil pan.
  12. Notice: Use the correct fastener in the correct location. Replacement fasteners must be the correct part number for that application. Fasteners requiring replacement or fasteners requiring the use of thread locking compound or sealant are identified in the service procedure. Do not use paints, lubricants, or corrosion inhibitors on fasteners or fastener joint surfaces unless specified. These coatings affect fastener torque and joint clamping force and may damage the fastener. Use the correct tightening sequence and specifications when installing fasteners in order to avoid damage to parts and systems.

  13. Tighten the lower transmission housing bolts until snug. Do not overtighten.
  14. Tighten

    1. Tighten the oil pan-to-block and oil pan-to-front cover bolts to 25 N·m (18 lb ft).
    2. Tighten the oil pan-to-rear cover bolts to 12 N·m (106 lb in).
    3. Tighten the transmission housing bolts to 50 N·m (37 lb ft) for a manual transmission and 95 N·m (70 lb ft) for a automatic transmission.

    Object Number: 220632  Size: SH
  15. Raise the crossmember.
  16. Install the crossmember bolts.
  17. Tighten

        • Tighten the upper four crossmember bolts to 125 N·m (92 lb ft).
        • Tighten the lower two crossmember bolts to 145 N·m (107 lb ft).
  18. Remove the crossmember support.

  19. Object Number: 208478  Size: SH
  20. Install the left side transmission cover and bolt.
  21. Tighten
    Tighten the transmission cover bolt to 12 N·m (106 lb in).


    Object Number: 208464  Size: SH
  22. Install the right side transmission cover and bolt.
  23. Tighten
    Tighten the transmission cover bolt to 12 N·m (106 lb in).


    Object Number: 178467  Size: SH
  24. Install the oil level sensor to the oil pan (if necessary).
  25. Tighten
    Tighten the oil level sensor to 35 N·m (26 lb ft).


    Object Number: 220633  Size: SH
  26. Connect the oil level sensor electrical connector.

  27. Object Number: 173551  Size: SH
  28. Install the front brake pipes to the retaining clip.
  29. Install the front fuel pipe heat shield (2).
  30. Install the front fuel pipe heat shield nuts (1).
  31. Tighten
    Tighten the front fuel pipe heat shield nuts to 5 N·m (44 lb in).


    Object Number: 346036  Size: SH
  32. If necessary, connect the HO2S electrical connectors.
  33. Connect the left and right wheel speed sensor electrical connectors.

  34. Object Number: 290561  Size: MH
  35. Position the gear to the crossmember.
  36. Install the power steering gear bolts (1) and nuts (4).
  37. Tighten
    Tighten the power steering gear bolts to 85 N·m (63 lb ft).


    Object Number: 220630  Size: SH
  38. Position the steering shaft to the gear.
  39. Install the intermediate steering shaft and bolt.
  40. Tighten
    Tighten the intermediate steering shaft bolt to 47 N·m (35 lb ft).


    Object Number: 220629  Size: SH
  41. Install the right and left side shock absorber lower mounting bolts.
  42. Tighten
    Tighten the shock absorbers bolts to 65 N·m (48 lb ft).


    Object Number: 181095  Size: SH
  43. Install the right and left sleeves (5) and end links (3).
  44. Install the right and left end link nuts (7).
  45. Tighten
    Tighten the end link nuts to 23 N·m (17 lb ft).


    Object Number: 220588  Size: SH
  46. Install the left side engine mount bracket bolts.
  47. Tighten
    Tighten the engine mount bracket bolts to 58 N·m (43 lb ft).


    Object Number: 220585  Size: SH
  48. Install the right side engine mount bracket bolts.
  49. Tighten
    Tighten the engine mount bracket bolts to 58 N·m (43 lb ft).


    Object Number: 309862  Size: SH
  50. Install the oil pan drain plug.
  51. Tighten
    Tighten the oil pan drain plug to 25 N·m (18 lb ft).


    Object Number: 178469  Size: SH
  52. Install the engine oil filter.
  53. Tighten
    Tighten the engine oil filter to 30 N·m (22 lb ft).

  54. Install the starter motor. Refer to Starter Motor Replacement in Engine Electrical.
  55. Lower the vehicle.
  56. Remove the engine support fixture.
  57. Remove the caps or plugs from the brake pipes and BPMV.
  58. Connect the brake pipes to the BPMV.
  59. Tighten
    Tighten the brake pipes fittings to 15 N·m (11 lb ft).

  60. Fill the crankcase with the proper quantity and grade of engine oil. Refer to Approximate Fluid Capacities and Fluid and Lubricant Recommendations in Maintenance and Lubrication.
  61. Bleed the brakes. Refer to Hydraulic Brake System Bleeding in Hydraulic Brakes.
  62. Run the engine and check for leaks.