GM Service Manual Online
For 1990-2009 cars only

Removal Procedure


    Object Number: 655145  Size: SH
  1. Remove the number 4 and 6 spark plug wires.
  2. • Twist the plug wire 1/2 turn.
    • Pull only on the boot in order to remove the wire from the spark plug.

    Object Number: 309850  Size: SH
  3. Remove the number 4 and 6 ignition coils from the coil bracket.

  4. Object Number: 565268  Size: SH
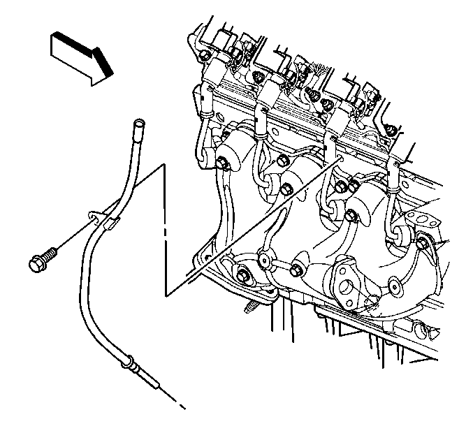
  5. Remove the oil level indicator from the indicator tube.

  6. Object Number: 565269  Size: SH
  7. Remove the oil level indicator tube bolt.
  8. Remove the indicator tube from the engine block.
  9. Important: Inspect the O-ring seal for cuts or damage. The O-ring seal may be reused if not cut or damaged.

  10. Remove the O-ring seal from the tube, if required.

Installation Procedure


    Object Number: 565269  Size: SH
  1. Lubricate the O-ring seal with clean engine oil.
  2. Install the O-ring seal onto the oil level indicator tube.
  3. Install the oil level indicator tube.
  4. Install the oil level indicator tube into the engine block and rotate into position.
  5. Tube must be installed with the collar flush to the engine block.

    Notice: Use the correct fastener in the correct location. Replacement fasteners must be the correct part number for that application. Fasteners requiring replacement or fasteners requiring the use of thread locking compound or sealant are identified in the service procedure. Do not use paints, lubricants, or corrosion inhibitors on fasteners or fastener joint surfaces unless specified. These coatings affect fastener torque and joint clamping force and may damage the fastener. Use the correct tightening sequence and specifications when installing fasteners in order to avoid damage to parts and systems.

  6. Install the oil level indicator tube bolt.
  7. Tighten
    Tighten the oil level indicator tube bolt to 25 N·m (18 lb ft).


    Object Number: 565268  Size: SH
  8. Install the oil level indicator.

  9. Object Number: 309850  Size: SH
  10. Install the number 4 and 6 ignition coils to the coil bracket.
  11. Tighten
    Tighten the ignition coil bolts to 12 N·m (106 lb in).


    Object Number: 655145  Size: SH
  12. Install the number 4 and 6 spark plug wires.