GM Service Manual Online
For 1990-2009 cars only

Crankshaft Balancer Removal F Car

Tools Required

    • J 41816 Crankshaft Balancer Remover
    • J 41816-2 Crankshaft End Protector
    • J 42386-A Flywheel Holding Tool

    Object Number: 260126  Size: SH

    Notice: Use the correct fastener in the correct location. Replacement fasteners must be the correct part number for that application. Fasteners requiring replacement or fasteners requiring the use of thread locking compound or sealant are identified in the service procedure. Do not use paints, lubricants, or corrosion inhibitors on fasteners or fastener joint surfaces unless specified. These coatings affect fastener torque and joint clamping force and may damage the fastener. Use the correct tightening sequence and specifications when installing fasteners in order to avoid damage to parts and systems.

    Important: 

       • Do not reuse the crankshaft balancer bolt. Install a NEW crankshaft balancer bolt during final assembly.
       • Make sure that the teeth of the flywheel holding tool mesh with the teeth of the engine flywheel.

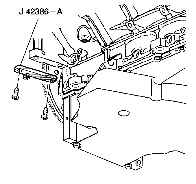
  1. Install the J 42386-A and bolts.
  2. Use one M10-1.5 x 120 mm and one M10-1.5 x 45 mm bolt for proper tool operation.

    Tighten
    Tighten the J 42386-A bolts to 50 N·m (37 lb ft).


    Object Number: 260154  Size: SH
  3. Remove the crankshaft balancer bolt.
  4. Do not discard the crankshaft balancer bolt. The balancer bolt will be used during the balancer installation procedure.


    Object Number: 156164  Size: SH
  5. Use the J 41816 and the J 41816-2 in order to remove the crankshaft balancer.
  6. Remove the J 42386-A and bolts.

Crankshaft Balancer Removal Y Car

Tools Required

    • J 41816 Crankshaft Balancer Remover
    • J 41816-2 Crankshaft End Protector
    • J 42386-A Flywheel Holding Tool

    Object Number: 156162  Size: SH

    Notice: Use the correct fastener in the correct location. Replacement fasteners must be the correct part number for that application. Fasteners requiring replacement or fasteners requiring the use of thread locking compound or sealant are identified in the service procedure. Do not use paints, lubricants, or corrosion inhibitors on fasteners or fastener joint surfaces unless specified. These coatings affect fastener torque and joint clamping force and may damage the fastener. Use the correct tightening sequence and specifications when installing fasteners in order to avoid damage to parts and systems.

    Important: 

       • For manual transmission applications, note the position of the crankshaft balancer before removal. The balancer does not use a key or keyway for positioning. Mark or scribe the end of the crankshaft and the balancer before component removal. The crankshaft balancer must be installed to the original position. If replacing the crankshaft balancer, note the location of any existing balance weights, if applicable. Install new balance weights into the new crankshaft balancer, if applicable. Crankshaft balancer weights must be installed into the new balancer in the same location as the old balancer. A properly installed balance weight will be either flush or below flush with the face of the balancer.
       • Do not use the crankshaft balancer bolt again. Install a NEW crankshaft balancer bolt during final assembly.
       • Make sure that the teeth of the flywheel holding tool mesh with the teeth of the engine flywheel.

  1. Install the J 42386-A and bolts.
  2. Use one M10-1.5 x 120 mm and one M10-1.5 x 45 mm bolt for proper tool operation.

    Tighten
    Tighten the J 42386-A bolts to 50 N·m (37 lb ft).


    Object Number: 64275  Size: SH
  3. Remove the crankshaft balancer bolt.
  4. Do not discard the crankshaft balancer bolt. The balancer bolt will be used during the balancer installation procedure.


    Object Number: 506138  Size: SH
  5. Mark or scribe the crankshaft balancer and the end of the crankshaft.
  6. Note the balancer installed position on the crankshaft for assembly. Refer to Engine Balancing .


    Object Number: 156164  Size: SH
  7. Use the J 41816 and the J 41816-2 in order to remove the crankshaft balancer.
  8. Remove the J 42386-A and bolts.

  9. Object Number: 63153  Size: SH
  10. Note the position of crankshaft balancer weights, if applicable.