GM Service Manual Online
For 1990-2009 cars only

Tools Required

J 36660-A Torque Angle Meter

Removal Procedure


    Object Number: 550171  Size: SH
  1. Remove the engine front cover. Refer to Engine Front Cover Replacement .
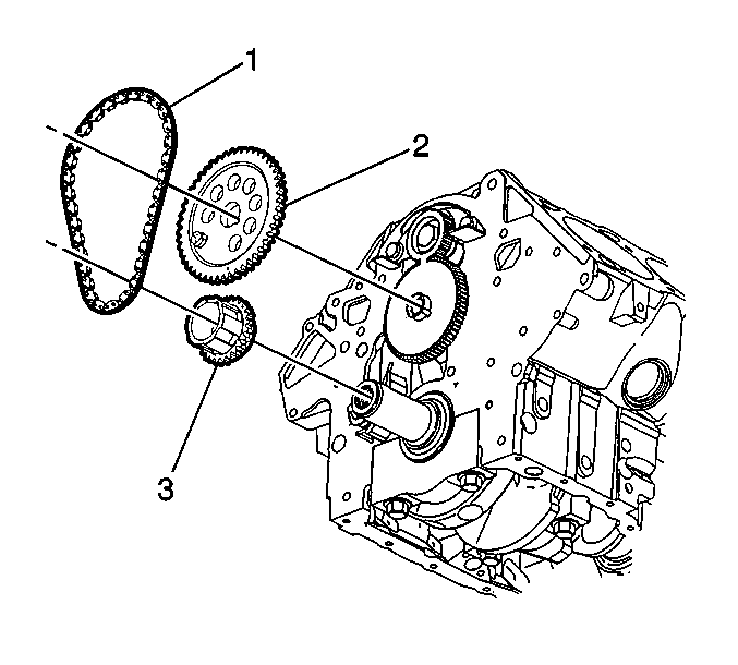
  2. Align the timing marks (2) on the sprockets (1, 3) so that they are as close together as possible.
  3. Remove the timing chain dampener.
  4. Remove the camshaft sprocket bolt.

  5. Object Number: 550172  Size: SH
  6. Remove the timing chain (1) and camshaft sprocket (2).
  7. Important: If the crankshaft sprocket does not come off easily, a light blow on the edge of the sprocket (with a plastic mallet) should dislodge the sprocket.

  8. Remove the crankshaft sprocket (3).
  9. Clean the timing chain.
  10. Clean the sprockets.
  11. Inspect all the components for wear or damage.
  12. If the balance shaft timing has been disturbed. Refer to Balance Shaft Removal and Balance Shaft Installation .
  13. Use the following steps if the pistons have been moved in the engine:
  14. 11.1. Turn the crankshaft in order to set the number one piston is at top dead center.
    11.2. With the sprocket installed, turn the camshaft in order to have the timing mark straight down.

Installation Procedure


    Object Number: 550172  Size: SH
  1. Install the timing chain (1) onto the sprockets (2, 3) with the timing marks in their closest together position.
  2. Install the timing chain (1) and sprockets (2, 3).
  3. Notice: Use the correct fastener in the correct location. Replacement fasteners must be the correct part number for that application. Fasteners requiring replacement or fasteners requiring the use of thread locking compound or sealant are identified in the service procedure. Do not use paints, lubricants, or corrosion inhibitors on fasteners or fastener joint surfaces unless specified. These coatings affect fastener torque and joint clamping force and may damage the fastener. Use the correct tightening sequence and specifications when installing fasteners in order to avoid damage to parts and systems.

  4. Install the camshaft sprocket bolt.
  5. Tighten
    Tighten the camshaft sprocket bolt to 100 N·m (74 lb ft). Use the J 36660-A to torque the camshaft sprocket bolt an additional 90 degrees.

  6. Install the timing chain dampener.
  7. Install the timing chain dampener bolt.
  8. Tighten
    Tighten the dampener bolt to 22 N·m (16 lb ft).

    Important: Rotate the engine two revolutions and check the timing marks. Ensure the marks are aligned.

  9. Install the engine front cover. Refer to Engine Front Cover Replacement .