GM Service Manual Online
For 1990-2009 cars only

Steering Gear Replacement 3.8L

Removal Procedure

  1. Remove the intermediate steering shaft from the power steering gear. Refer to Intermediate Steering Shaft Replacement in Steering Wheel and Column.
  2. Place a drain pan under the vehicle.

  3. Object Number: 354423  Size: SH
  4. Remove power steering gear inlet (3) and outlet (2) hoses from the power steering gear (1).
  5. Remove the outer tie rods from the steering knuckles. Refer to Rack and Pinion Outer Tie Rod End Replacement .
  6. Remove both of the front suspension support braces.

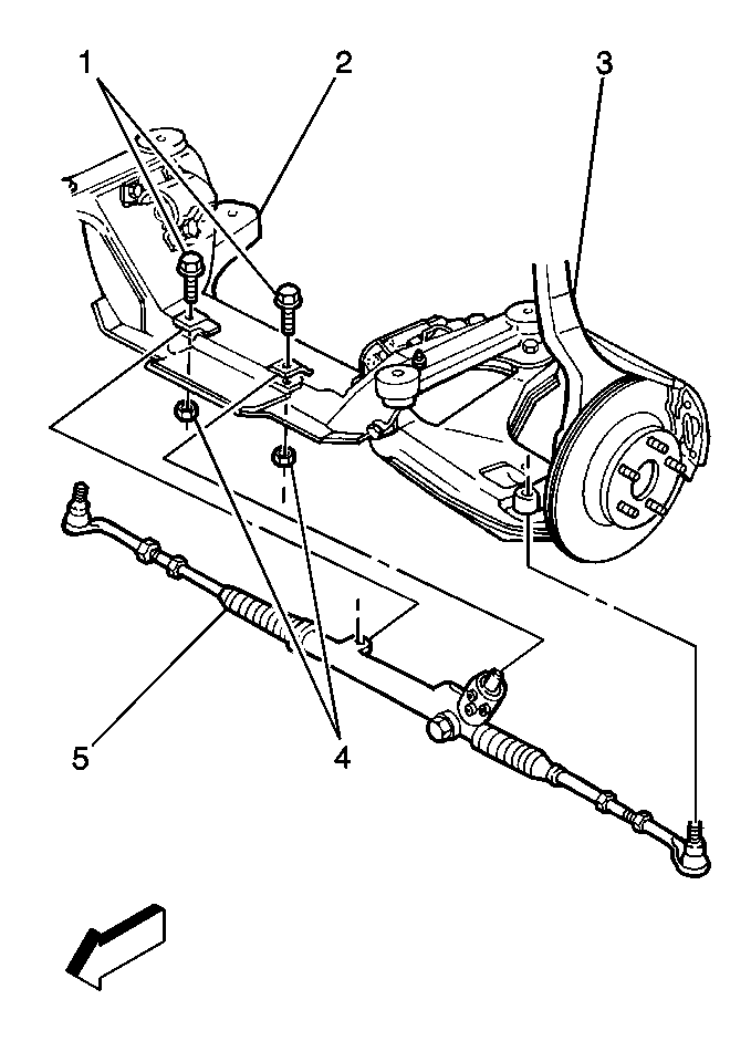
  7. Object Number: 290561  Size: MH
  8. Remove the power steering gear mounting nuts (4).
  9. Remove the power steering gear mounting bolts (1).
  10. Remove the power steering gear (5) from the vehicle.

Installation Procedure


    Object Number: 290561  Size: MH
  1. Install the power steering gear (5) to the vehicle.
  2. Notice: Use the correct fastener in the correct location. Replacement fasteners must be the correct part number for that application. Fasteners requiring replacement or fasteners requiring the use of thread locking compound or sealant are identified in the service procedure. Do not use paints, lubricants, or corrosion inhibitors on fasteners or fastener joint surfaces unless specified. These coatings affect fastener torque and joint clamping force and may damage the fastener. Use the correct tightening sequence and specifications when installing fasteners in order to avoid damage to parts and systems.

  3. Install the power steering gear mounting bolts (1).
  4. Install the power steering gear mounting nuts (4).

    Tighten
    Tighten the power steering gear (5) mounting nuts (4) and mounting bolts (1) to 85 N·m (63 lb ft)

  5. Install the intermediate steering shaft to the power steering gear. Refer to Intermediate Steering Shaft Replacement in Steering Wheel and Column.
  6. Install both of the front suspension support braces.
  7. Install the outer tie rods to the steering knuckles. Refer to Rack and Pinion Outer Tie Rod End Replacement .

  8. Object Number: 354423  Size: SH
  9. Install inlet and outlet hoses (2,3) to the power steering gear (1).
  10. Tighten

        • Tighten the inlet hose (3) to 28 N·m (21 lb ft).
        • Tighten the outlet hose (2) to 28 N·m (21 lb ft).
  11. Lower vehicle.
  12. Bleed the power steering system. Refer to Power Steering System Bleeding .
  13. Remove the drain pan from under the vehicle.

Steering Gear Replacement 5.7L

Removal Procedure

  1. Remove the intermediate steering shaft from the power steering gear. Refer to Intermediate Steering Shaft Replacement in Steering Wheel and Column.
  2. Place a drain pan under the vehicle.

  3. Object Number: 354423  Size: SH
  4. Remove the power steering gear inlet (3) and outlet (2) hoses from the power steering gear (1).
  5. Remove the outer tie rods from the steering knuckles. Refer to Rack and Pinion Outer Tie Rod End Replacement .

  6. Object Number: 290561  Size: MH
  7. Remove the power steering gear mounting nuts (4).
  8. Remove the power steering gear mounting bolts (1).
  9. Remove the power steering gear (5) from the vehicle.

Installation Procedure


    Object Number: 290561  Size: MH
  1. Install the power steering gear (5) to the vehicle.
  2. Notice: Use the correct fastener in the correct location. Replacement fasteners must be the correct part number for that application. Fasteners requiring replacement or fasteners requiring the use of thread locking compound or sealant are identified in the service procedure. Do not use paints, lubricants, or corrosion inhibitors on fasteners or fastener joint surfaces unless specified. These coatings affect fastener torque and joint clamping force and may damage the fastener. Use the correct tightening sequence and specifications when installing fasteners in order to avoid damage to parts and systems.

  3. Install the power steering gear mounting bolts (1).
  4. Install the power steering gear mounting nuts (4).

    Tighten
    Tighten the power steering gear (5) mounting nuts (4) and mounting bolts (1) to 85 N·m (63 lb ft)

  5. Install the intermediate steering shaft to the power steering gear. Refer to Intermediate Steering Shaft Replacement in Steering Wheel and Column.
  6. Install the outer tie rods to the steering knuckles. Refer to Rack and Pinion Outer Tie Rod End Replacement .

  7. Object Number: 354423  Size: SH
  8. Install inlet and outlet hoses (2,3) to the power steering gear (1).
  9. Tighten

        • Tighten the inlet hose (3) to 28 N·m (21 lb ft).
        • Tighten the outlet hose (2) to 28 N·m (21 lb ft).
  10. Lower the vehicle.
  11. Bleed the power steering system. Refer to Power Steering System Bleeding .
  12. Remove the drain pan from under the vehicle.