GM Service Manual Online
For 1990-2009 cars only

Removal Procedure


    Object Number: 181246  Size: MH
  1. Fold down the rear seatback.
  2. Remove the quarter trim panel. Refer to Cargo Area Side Trim Panel Replacement in Interior Trim.
  3. Fold the carpet back.
  4. Raise and suitably support the vehicle. Refer to Lifting and Jacking the Vehicle in General Information.
  5. Notice: The rear axle must be supported before removing the nut in order to avoid possible damage to the break hose lines, the tie rod and the propeller shaft.

  6. Support the rear axle (8) with an adjustable jack stand.
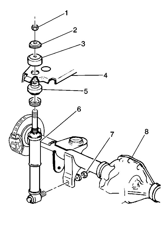
  7. Remove the shock absorber nut (1).
  8. Remove the shock absorber insulator retainer (2) and insulator (3).
  9. Remove the shock absorber lower retainer and the insulator (5).
  10. Remove the shock absorber nut (7) to the rear axle (8).
  11. Remove the shock absorber (6).

Installation Procedure


    Object Number: 181246  Size: MH
  1. Install the shock absorber (6) stud to the rear axle (8).
  2. Notice: Use the correct fastener in the correct location. Replacement fasteners must be the correct part number for that application. Fasteners requiring replacement or fasteners requiring the use of thread locking compound or sealant are identified in the service procedure. Do not use paints, lubricants, or corrosion inhibitors on fasteners or fastener joint surfaces unless specified. These coatings affect fastener torque and joint clamping force and may damage the fastener. Use the correct tightening sequence and specifications when installing fasteners in order to avoid damage to parts and systems.

  3. Install the shock absorber nut (7) to rear axle.
  4. Tighten
    Tighten the shock absorber nut (7) to rear axle to 90 N·m (66 lb ft).

  5. Install the shock absorber lower insulator (5) and retainer to the shock absorber (6).
  6. Position the shock absorber (6) through the underbody pan (4) and seat the insulator.
  7. Install the shock absorber insulator (3) and retainer (2) to the shock absorber (6).
  8. Notice: Turning the shock absorber while tightening the nut could damage the shock absorber. In order to prevent damage, keep the shock absorber stationary while you tighten the nut.

  9. Install the shock absorber nut (1).
  10. Tighten
    Tighten the shock absorber nut (1) to 17 N·m (13 lb ft).

  11. Remove the rear axle support.
  12. Lower the vehicle.
  13. Place the folded carpet into position.
  14. Install the quarter trim panel. Refer to Cargo Area Side Trim Panel Replacement in Interior Trim.
  15. Fold the rear seatback into the upright position.