GM Service Manual Online
For 1990-2009 cars only

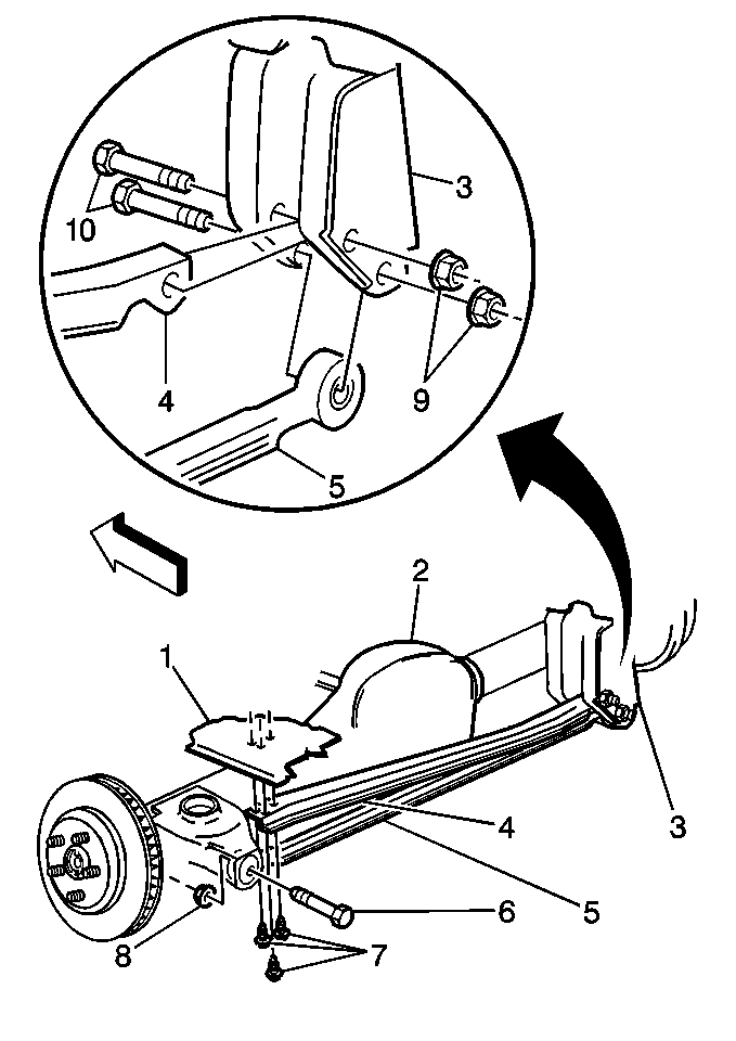
Removal Procedure


    Object Number: 181235  Size: MH
  1. Raise and suitably support the vehicle. Refer to Lifting and Jacking the Vehicle in General Information.
  2. Support the rear axle (2) with an adjustable jack stand.
  3. Remove the tie rod bolt (6) and nut (8) from the spring seat.
  4. Remove the tie rod bracket brace bolts (7) from the body brace bracket (1).
  5. Remove the tie rod bolts (10) and nuts (9) from the body brace and tie rod bracket (3).
  6. Remove the tie rod (5).
  7. Remove the tie rod bracket brace (4).

Installation Procedure


    Object Number: 181235  Size: MH
  1. Install the tie rod bracket brace (4) to the body brace and tie rod bracket (3).
  2. Loosely install the upper tie rod bolt (10) and nut (9) to the body brace and tie rod bracket (3).
  3. Install the tie rod (5) to the body brace and tie rod bracket (3).
  4. Loosely install the lower tie rod bolt (10) and nut (9) to the body brace and tie rod bracket (3).
  5. Notice: Use the correct fastener in the correct location. Replacement fasteners must be the correct part number for that application. Fasteners requiring replacement or fasteners requiring the use of thread locking compound or sealant are identified in the service procedure. Do not use paints, lubricants, or corrosion inhibitors on fasteners or fastener joint surfaces unless specified. These coatings affect fastener torque and joint clamping force and may damage the fastener. Use the correct tightening sequence and specifications when installing fasteners in order to avoid damage to parts and systems.

  6. Install the tie rod bracket brace bolts (7) to the body brace bracket (1).
  7. Tighten

        • Tighten the tie rod bracket brace bolts (7) to 47 N·m (35 lb ft).
        • Tighten the upper tie rod bolt (10) to 118 N·m (87 lb ft).
        •  Tighten the tie rod nut (9) to 75 N·m (55 lb ft).
  8. Install the tie rod bolt (6) and nut (8) to the spring seat.
  9. Tighten

        • Tighten the tie rod bolt (6) to 118 N·m (87 lb ft).
        •  Tighten the tie rod nut (8) to 75 N·m (55 lb ft).
  10. Remove the rear axle support.
  11. Lower the vehicle.