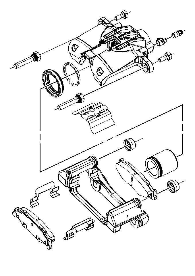
Important:
• Replace all the components included in the repair kits used to
service this brake caliper. • Lubricate the rubber parts with clean brake fluid to make assembly
easier. • If any hydraulic component is removed or disconnected, it may
be necessary to bleed all or part of the brake system. • Replace the brake pads in axle sets only. • The torque values specified are for dry, unlubricated fasteners. • Perform the service operations on a clean bench, free from all
mineral oil materials.
Caution: Do not place your fingers in front of the piston in order to catch or protect the piston while applying compressed air. This could result in serious injury.
Notice: Use clean cloths to pad interior of caliper housing during piston removal. Use just enough air to ease the pistons out of the bores. If the pistons are blown out, even with the padding provided, it may be damaged.
Notice: Use the correct fastener in the correct location. Replacement fasteners must be the correct part number for that application. Fasteners requiring replacement or fasteners requiring the use of thread locking compound or sealant are identified in the service procedure. Do not use paints, lubricants, or corrosion inhibitors on fasteners or fastener joint surfaces unless specified. These coatings affect fastener torque and joint clamping force and may damage the fastener. Use the correct tightening sequence and specifications when installing fasteners in order to avoid damage to parts and systems.
Tighten
Tighten the brake caliper bleed screw to 12 N·m (106 lb in).
| 7.1. | Install the boot over the end of the piston so that the fold will face toward the brake caliper housing piston bore opening. |
| 7.2. | Seat the boot into the brake caliper bore groove and slide the piston into the brake caliper bore. |
| 7.3. | Push down the piston to the bottom of the brake caliper bore. |
| 7.4. | Make sure the boot is properly seated into the piston groove and into the groove in the brake caliper bore. |