GM Service Manual Online
For 1990-2009 cars only

Removal Procedure


    Object Number: 213428  Size: SH

    Notice: To prevent equipment damage, never connect or disconnect the wiring harness connection from the EBCM with the ignition switch in the ON position.

  1. Turn the ignition switch to the OFF position.
  2. Pull out the lock tab from the EBCM harness connector.
  3. Disconnect the EBCM harness connector (6).

  4. Object Number: 213438  Size: SH
  5. Disconnect the pump motor connector (3) at the bottom of the EBCM.
  6. Important: 

       • Do not to damage the seal. Do not pry the seal apart using a tool.
       • Do not damage the solenoid valves while removing the EBCM from the BPMV.

  7. Remove the 6 screws (2) which secure the EBCM to the BPMV. Discard the screws.
  8. Separate the EBCM (1) from the BPMV (5) by gently pulling apart until separated.

  9. Object Number: 255236  Size: SH

    Important: Note the location and the orientation of the wave spring in order to aid during installation.

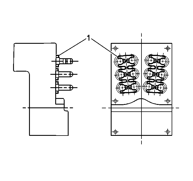
  10. If the vehicle is equipped with ABS/TCS remove and discard 2 wave springs (1) between the EBCM and BPMV.

  11. Object Number: 255233  Size: SH

    Important: Note the location and the orientation of the wave spring in order to aid during installation.

  12. If the vehicle is equipped only with ABS, remove and discard one wave spring (1) between the EBCM and BPMV.

Installation Procedure

    Important: Use only new wave springs and screws supplied with the new EBCM.

  1. Clean the BPMV gasket surface with denatured alcohol using a clean rag.

  2. Object Number: 255236  Size: SH
  3. If the vehicle is equipped with ABS/TCS, install two wave springs (1) between the EBCM and BPMV. Use the locations and orientation noted during removal.

  4. Object Number: 255233  Size: SH
  5. If the vehicle is equipped only with ABS, install one wave spring (1) between the EBCM and BPMV. Use the location and orientation noted during removal.

  6. Object Number: 213438  Size: SH

    Notice: Use the correct fastener in the correct location. Replacement fasteners must be the correct part number for that application. Fasteners requiring replacement or fasteners requiring the use of thread locking compound or sealant are identified in the service procedure. Do not use paints, lubricants, or corrosion inhibitors on fasteners or fastener joint surfaces unless specified. These coatings affect fastener torque and joint clamping force and may damage the fastener. Use the correct tightening sequence and specifications when installing fasteners in order to avoid damage to parts and systems.

  7. Install the EBCM (1) to the BPMV (5).
  8. Tighten

    1. Tighten the top 4 mounting screws (2) to 2.9 N·m (26 lb in). Tighten the screws in an X pattern.
    2. Tighten the bottom 2 mounting screws (2) to 2.9 N·m (26 lb in).
  9. Connect the pump motor connector (3) to the bottom of the EBCM.

  10. Object Number: 213428  Size: SH
  11. Connect the EBCM harness connector. Push in the lock tab.
  12. Turn the ignition switch to the RUN position, with the engine off.
  13. Perform the Diagnostic System Check - ABS .