GM Service Manual Online
For 1990-2009 cars only
Figure 1:

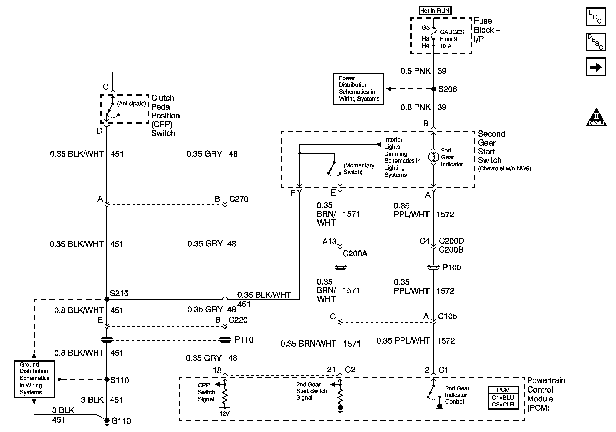
Second Gear Start Switch, Clutch Anticipate Switch (V6 VIN K)


Object Number: 726087  Size: FS
Master Electrical Component List
Electronic Component Description
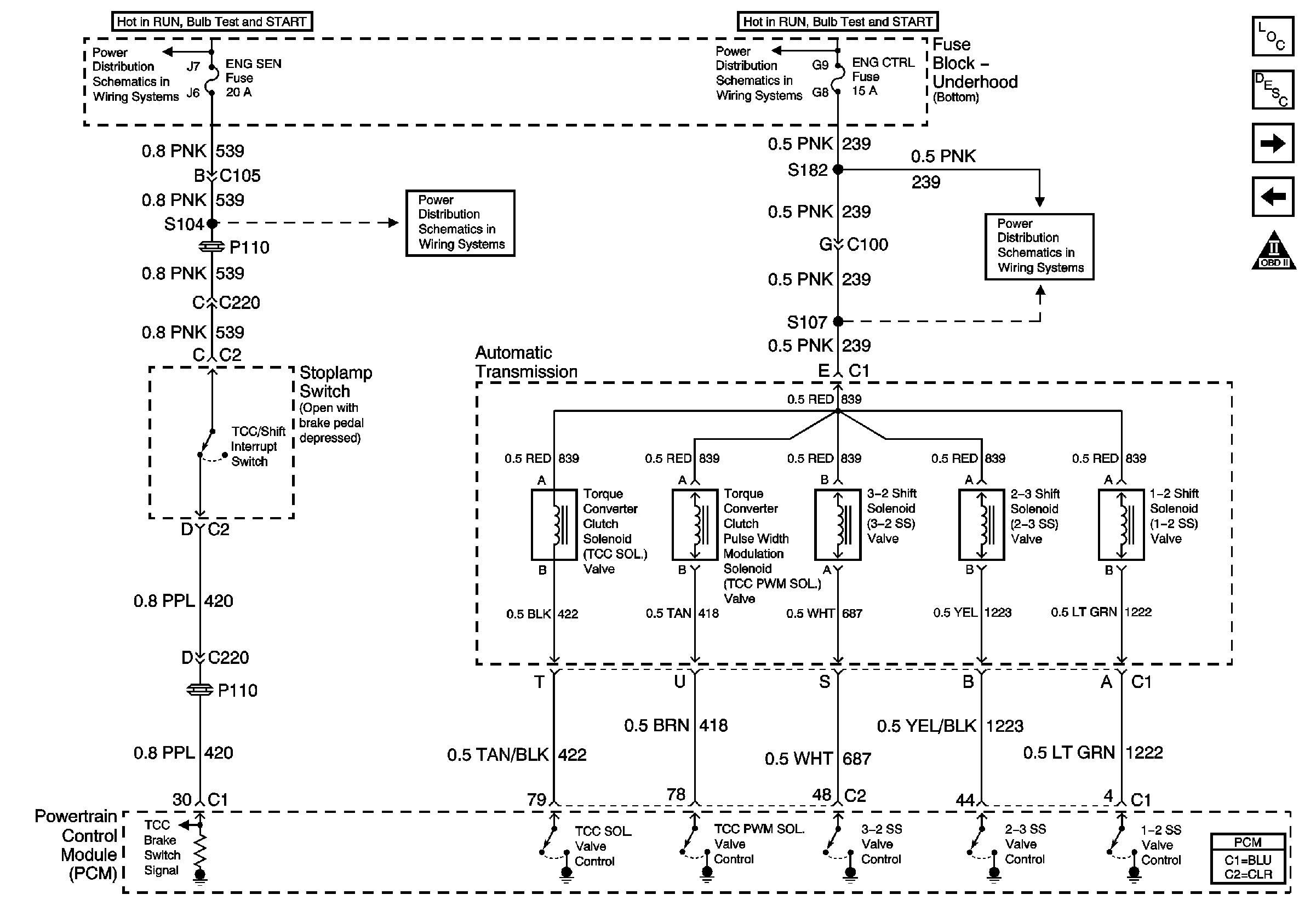
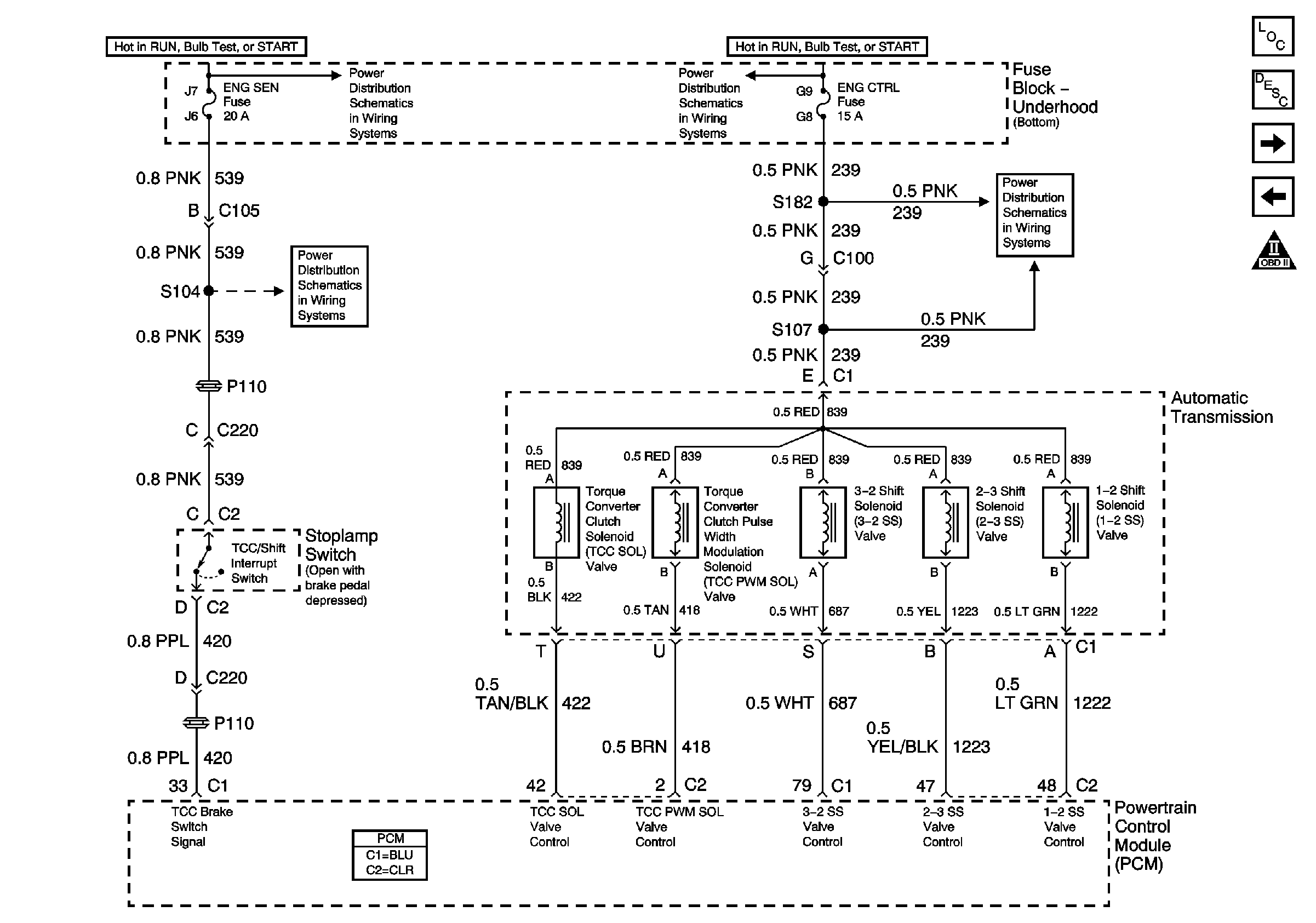
Brake Switch, TCC Solenoid (V6 VIN K)
OBD II Symbol Description Notice
Interior Illumination Lamps (1 of 2)
AIR BAG and GAUGES Fuses
Ground Distribution Schematics
Powertrain Control Module Connector End Views
Figure 2:

Brake Switch, TCC Solenoid (V6 VIN K)


Object Number: 726097  Size: FS
Master Electrical Component List
Electronic Component Description
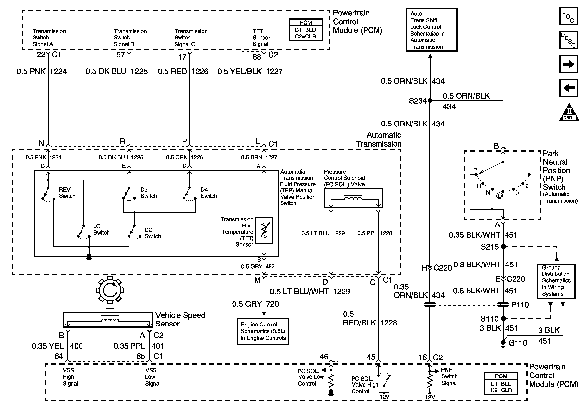
Automatic Transmission, Park Neutral Position Switch, Vehicle Speed Sensor (V6 VIN K)
Second Gear Start Switch, Clutch Anticipate Switch (V6 VIN K)
OBD II Symbol Description Notice
ENG CTRL Fuse
ENG CTRL Fuse
ENG SEN Fuse
ENG SEN Fuse
Powertrain Control Module Connector End Views
Figure 3:

Automatic Transmission, Park Neutral Position Switch, Vehicle Speed Sensor (V6 VIN K)


Object Number: 726099  Size: FS
Master Electrical Component List
Electronic Component Description
Brake Switch, TCC Solenoid (V8 VIN G)
Brake Switch, TCC Solenoid (V6 VIN K)
OBD II Symbol Description Notice
Ground Distribution Schematics
AT Shift Lock Control Actuator Solenoid, and Diode
Powertrain Control Module Connector End Views
Powertrain Control Module Connector End Views
Figure 4:

Brake Switch, TCC Solenoid (V8 VIN G)


Object Number: 726108  Size: FS
Master Electrical Component List
Electronic Component Description
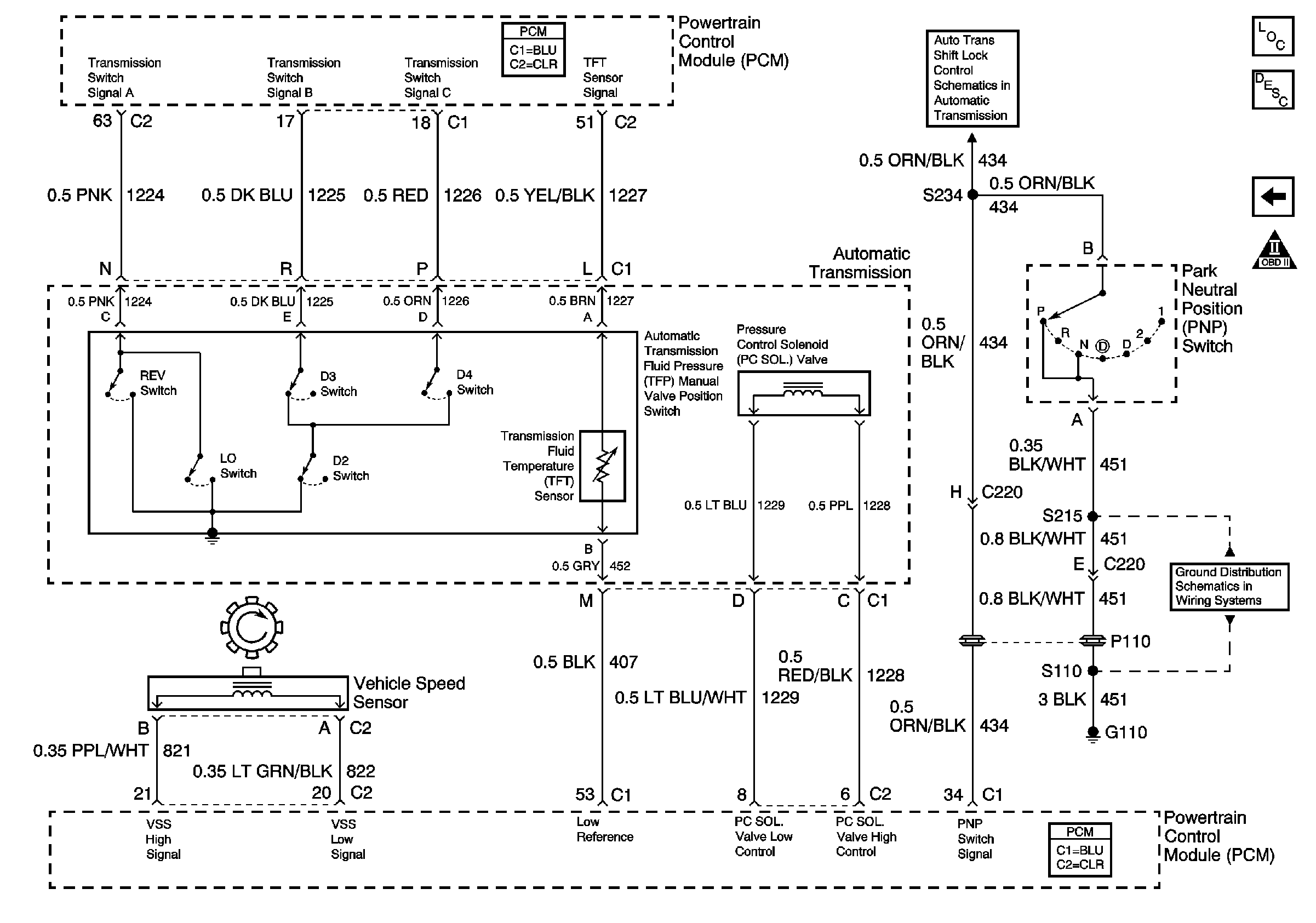
Automatic Transmission, Park Neutral Position Switch, Vehicle SpeeD Sensor (V8 VIN G)
Automatic Transmission, Park Neutral Position Switch, Vehicle Speed Sensor (V6 VIN K)
OBD II Symbol Description Notice
ENG CTRL Fuse
ENG CTRL Fuse
ENG SEN Fuse
ENG SEN Fuse
Powertrain Control Module Connector End Views
Figure 5:

Automatic Transmission, Park Neutral Position Switch, Vehicle Speed Sensor (V8 VIN G)


Object Number: 726117  Size: FS
Master Electrical Component List
Electronic Component Description
Brake Switch, TCC Solenoid (V8 VIN G)
OBD II Symbol Description Notice
Ground Distribution Schematics
AT Shift Lock Control Actuator Solenoid, and Diode
Powertrain Control Module Connector End Views
Powertrain Control Module Connector End Views