GM Service Manual Online
For 1990-2009 cars only

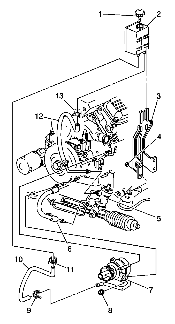
Removal Procedure


    Object Number: 656031  Size: LH
  1. Remove the power steering fluid reservoir (2) from the power steering fluid reservoir bracket (3).
  2. Remove the electrical harness from the clip on the power steering fluid reservoir bracket (3).
  3. Remove the mounting nuts (4) from the power steering fluid reservoir bracket (3).
  4. Remove the power steering fluid reservoir bracket (3) from the vehicle.

Installation Procedure


    Object Number: 656031  Size: LH
  1. Install the power steering fluid reservoir bracket (3) to the vehicle
  2. Notice: Use the correct fastener in the correct location. Replacement fasteners must be the correct part number for that application. Fasteners requiring replacement or fasteners requiring the use of thread locking compound or sealant are identified in the service procedure. Do not use paints, lubricants, or corrosion inhibitors on fasteners or fastener joint surfaces unless specified. These coatings affect fastener torque and joint clamping force and may damage the fastener. Use the correct tightening sequence and specifications when installing fasteners in order to avoid damage to parts and systems.

  3. Install the mounting nuts (4) to the power steering fluid reservoir bracket (3).
  4. Tighten
    Tighten the mounting nuts to 12 N·m (107 lb in).

  5. Install the electrical harness to the clip on the power steering fluid reservoir bracket (3).
  6. Install the power steering fluid reservoir (2) to the power steering fluid reservoir bracket (3).