|
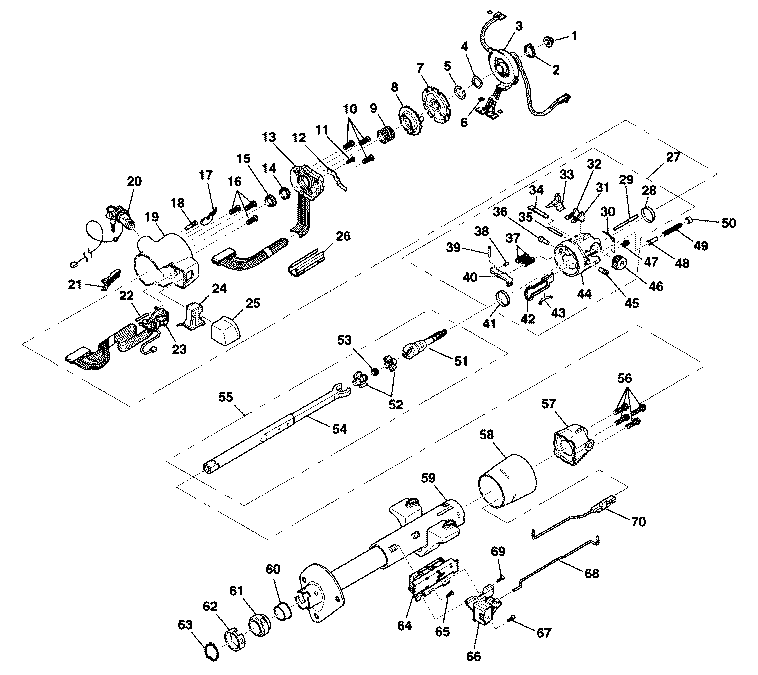
| (1) | Flanged Prevailing Torque Nut |
| (2) | Retaining Ring |
| (3) | Inflatable Restraint Steering Wheel Module Coil |
| (4) | Wave
Washer |
| (5) | Bearing Retainer |
| (6) | Axial Position Assurance Connector |
| (7) | Shaft
Lock Shield Assembly |
| (8) | Turn Signal Cancel Cam Assembly |
| (9) | Upper Bearing Spring |
| (10) | Pan Head 6-Lobed
Socket Screw |
| (11) | Round Washer Head Screw |
| (12) | Signal Switch Arm Assembly |
| (13) | Turn
Signal Switch Assembly |
| (14) | Upper Bearing Inner Race Seat |
| (15) | Inner Race |
| (16) | Pan Head 6-Lobed Socket Screw |
| (17) | Buzzer Switch Assembly |
| (18) | Lock Retaining
Screw |
| (19) | Lock Housing Cover and Sleeve Assembly |
| (20) | Steering Column Lock Cylinder Set |
| (21) | Dimmer Switch Rod Actuator |
| (22) | Switch Actuator Pivot Pin |
| (23) | Windshield
Wiper and Washer Switch Assembly |
| (24) | Column Housing Cover End Base Plate |
| (25) | Column Housing Cover End Cap |
| (26) | Wiring Protector |
| (27) | Steering Column Housing Assembly |
| (28) | Bearing Assembly |
| (29) | Lock Bolt |
| (30) | Lock Bolt Spring |
| (31) | Steering
Wheel Lock Shoe |
| (32) | Steering Wheel Lock Shoe |
| (33) | Wire Protector Shield |
| (34) | Drive Shaft |
| (35) | Dowel Pin |
| (36) | Pivot Pin |
| (37) | Shoe Spring |
| (38) | Release Lever Spring |
| (39) | Release Lever
Pin |
| (40) | Shoe Release Lever |
| (41) | Bearing Assembly |
| (42) | Switch Actuator Rack |
| (43) | Rack Preload
Spring |
| (44) | Steering Column Housing |
| (45) | Pivot Pin |
| (46) | Switch Actuator Sector |
| (47) | Hexagon Washer Head Screw |
| (48) | Spring Guide |
| (49) | Wheel Tilt Spring |
| (50) | Spring Retainer |
| (51) | Race and Upper Shaft Assembly |
| (52) | Centering Sphere |
| (53) | Joint Preload Spring |
| (54) | Lower Steering
Shaft Assembly |
| (55) | Steering Shaft Assembly |
| (56) | Hexagon Washer Head Tapping Screw |
| (57) | Steering Column Housing Support Assembly |
| (58) | Steering Column Housing Shroud |
| (59) | Steering Column Jacket Assembly |
| (60) | Lower Bearing Adapter |
| (61) | Bearing Assembly |
| (62) | Bearing Adapter
Retainer |
| (63) | Lower Bearing Adapter Clip |
| (64) | Ignition Switch Assembly |
| (65) | Flat Head Screw |
| (66) | Dimmer Switch Assembly |
| (67) | Hexagon Washer Head Tapping Screw |
| (68) | Dimmer Switch Rod |
| (69) | Washer Head Screw |
| (70) | Ignition Switch Rod Actuator Assembly |