GM Service Manual Online
For 1990-2009 cars only

Tools Required

J 39400-A Halogen Leak Detector

Removal Procedure


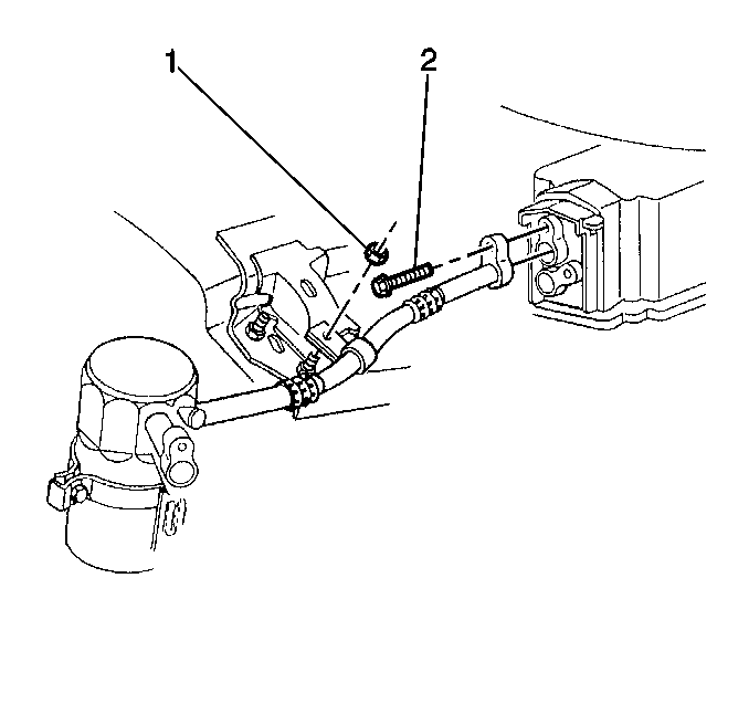
    Object Number: 282943  Size: SH
  1. Recover the refrigerant. Refer to Refrigerant Recovery and Recharging .
  2. Remove the A/C compressor hose assembly bolt from the accumulator.
  3. Remove the accumulator bolt (2) from the module.
  4. Remove the accumulator hose bracket nut (1) from the strut tower.
  5. Remove the accumulator bracket bolt.
  6. Remove the accumulator from the bracket.
  7. Discard the O-rings.

Installation Procedure


    Object Number: 282943  Size: SH
  1. Add the proper amount of PAG oil. Refer to Refrigerant System Capacities .
  2. Install the new O-ring.
  3. Notice: Refer to Fastener Notice in the Preface section.

  4. Install the accumulator to the bracket.
  5. Install the accumulator bracket bolt.
  6. Tighten
    Tighten the accumulator bracket bolt to 6 N·m (53 lb in).

  7. Install the accumulator hose bracket nut (1) to the strut tower.
  8. Tighten
    Tighten the accumulator hose bracket nut (1) to 8 N·m (71 lb in).

  9. Install the accumulator bolt (2) to the module.
  10. Tighten
    Tighten the accumulator bolt (2) to 16 N·m (12 lb ft).

  11. Install the A/C compressor hose assembly bolt to the accumulator.
  12. Tighten
    Tighten the A/C compressor hose assembly bolt to 16 N·m (12 lb ft).

  13. Evacuate and charge the refrigerant system. Refer to Refrigerant Recovery and Recharging .
  14. Leak test the fittings of the component using the J 39400-A .