GM Service Manual Online
For 1990-2009 cars only

Air Conditioning Compressor Bracket Replacement 3.8L

Removal Procedure


    Object Number: 365420  Size: SH
  1. Remove the serpentine drive belt. Refer to Drive Belt Replacement in Engine Mechanical - 3.8L.
  2. Disconnect the electrical connector from the A/C compressor.

  3. Object Number: 43679  Size: SH
  4. Remove the negative battery cable nut and cable from the engine block.
  5. Raise and support the vehicle. Refer to Lifting and Jacking the Vehicle in General Information.

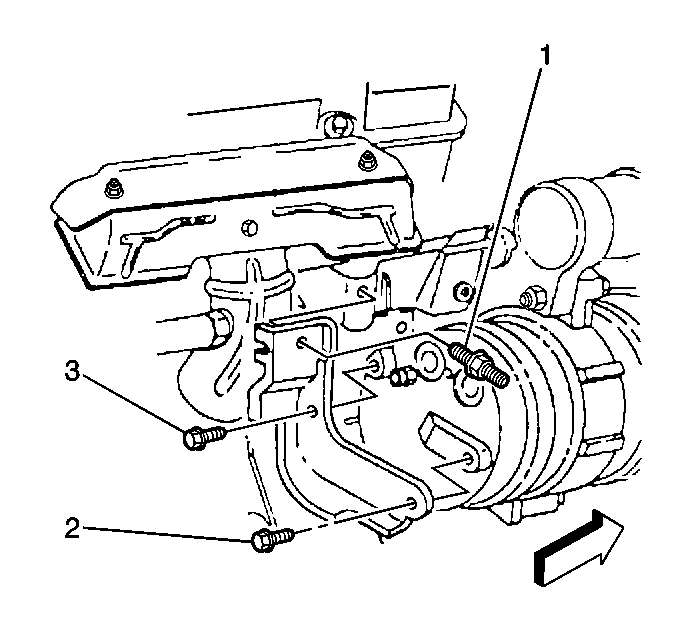
  6. Object Number: 365440  Size: SH
  7. Remove the A/C compressor bracket rear bolts from the compressor (3).

  8. Object Number: 282953  Size: SH
  9. Remove the A/C compressor front bolts from the compressor.
  10. Position the A/C compressor forward in order to allow access to the bracket.

  11. Object Number: 282958  Size: SH
  12. Remove the A/C compressor bracket bolts from the bracket (2, 3).
  13. Remove the A/C compressor bracket.
  14. Transfer the idler pulley from the old bracket to the new bracket.

Installation Procedure


    Object Number: 282958  Size: SH
  1. Install the A/C compressor bracket.
  2. Notice: Use the correct fastener in the correct location. Replacement fasteners must be the correct part number for that application. Fasteners requiring replacement or fasteners requiring the use of thread locking compound or sealant are identified in the service procedure. Do not use paints, lubricants, or corrosion inhibitors on fasteners or fastener joint surfaces unless specified. These coatings affect fastener torque and joint clamping force and may damage the fastener. Use the correct tightening sequence and specifications when installing fasteners in order to avoid damage to parts and systems.

  3. Install the A/C compressor bracket bolts (1, 2, 3).
  4. Tighten

        • Tighten the A/C compressor bracket bolt (1) to 30 N·m (22 lb ft).
        • Tighten the A/C compressor bracket bolts (2, 3) to 50 N·m (37 lb ft)

    Object Number: 282953  Size: SH
  5. Install the A/C compressor to the bracket.
  6. Install the A/C compressor bolts.
  7. Tighten
    Tighten the A/C compressor front bolts to 50 N·m (37 lb ft).


    Object Number: 365440  Size: SH
  8. Install the A/C compressor rear bolts (2, 3).
  9. Tighten
    Tighten the A/C compressor rear bolts (2, 3) to 30 N·m (22 lb ft).

  10. Lower the vehicle.

  11. Object Number: 43679  Size: SH
  12. Install the negative battery cable and nut to the engine block.
  13. Tighten
    Tighten the negative battery cable nut to 25 N·m (18 lb ft).


    Object Number: 365420  Size: SH
  14. Connect the electrical connector to the A/C compressor.
  15. Install the serpentine drive belt. Refer to Drive Belt Replacement in Engine Mechanical - 3.8L.

Air Conditioning Compressor Bracket Replacement 5.7L

Removal Procedure


    Object Number: 282957  Size: SH
  1. Remove the A/C compressor. Refer to Air Conditioning Compressor Replacement .
  2. Remove the A/C compressor bracket bolts.
  3. Remove the A/C compressor bracket.
  4. Remove the A/C belt tensioner from the bracket. Refer to Drive Belt Tensioner Replacement - Air Conditioning in Engine Mechanical - 5.7L.
  5. Remove the A/C belt idler pulley from the bracket. Refer to Drive Belt Idler Pulley Replacement - Air Conditioning in Engine Mechanical - 5.7L.

Installation Procedure

  1. Install the A/C belt idler pulley from the bracket. Refer to Drive Belt Idler Pulley Replacement - Air Conditioning in Engine Mechanical - 5.7L.
  2. install the A/C belt tensioner from the bracket. Refer to Drive Belt Tensioner Replacement - Air Conditioning in Engine Mechanical - 5.7L.

  3. Object Number: 282957  Size: SH
  4. Install the A/C compressor bracket.
  5. Notice: Use the correct fastener in the correct location. Replacement fasteners must be the correct part number for that application. Fasteners requiring replacement or fasteners requiring the use of thread locking compound or sealant are identified in the service procedure. Do not use paints, lubricants, or corrosion inhibitors on fasteners or fastener joint surfaces unless specified. These coatings affect fastener torque and joint clamping force and may damage the fastener. Use the correct tightening sequence and specifications when installing fasteners in order to avoid damage to parts and systems.

  6. Install the A/C compressor bracket bolts.
  7. Tighten
    Tighten the A/C compressor bracket bolts to 50 N·m (37 lb ft).

  8. Install the A/C compressor. Refer to Air Conditioning Compressor Replacement .