GM Service Manual Online
For 1990-2009 cars only
Makes
🢒
Pontiac
🢒
2001
🢒
Firebird
🢒
HVAC
🢒
HVAC Systems - Manual
🢒 Engine Electrical Component Views
Figure
1:
Base of Steering Column
(1)
Steering Column
(2)
Ignition Switch
(3)
Headlamp Dimmer Switch
(4)
Windshield Wipers Isolation Diode
(5)
Forward Lamp Harness
Figure
2:
Front Left Side of Engine (V6 VIN K)
(1)
Generator
Figure
3:
Lower Right Side of Engine (V8 VIN G)
(1)
Engine Mount Bracket
(2)
A/C Compressor
(3)
Battery Cable
(4)
Starter
(5)
Starter Solenoid
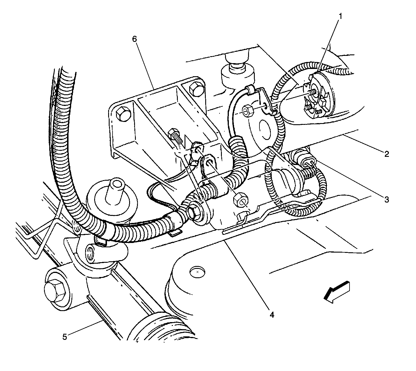
Figure
4:
Lower Left Side of Engine (V6 VIN K)
(1)
Starter Solenoid
(2)
Starter
(3)
Engine Oil Level Switch
(4)
Lower Control Arm
(5)
Steering Gear
(6)
Left Engine Mount