GM Service Manual Online
For 1990-2009 cars only

Front Bumper Fascia Replacement Chevrolet

Removal Procedure


    Object Number: 296243  Size: SH
  1. Remove the upper fascia retainers along the radiator support.
  2. Raise and suitably support the vehicle. Refer to Lifting and Jacking the Vehicle in General Information.
  3. Remove the front end fascia outer deflectors. Refer to Front Bumper Fascia Air Deflector Replacement .

  4. Object Number: 296246  Size: SH
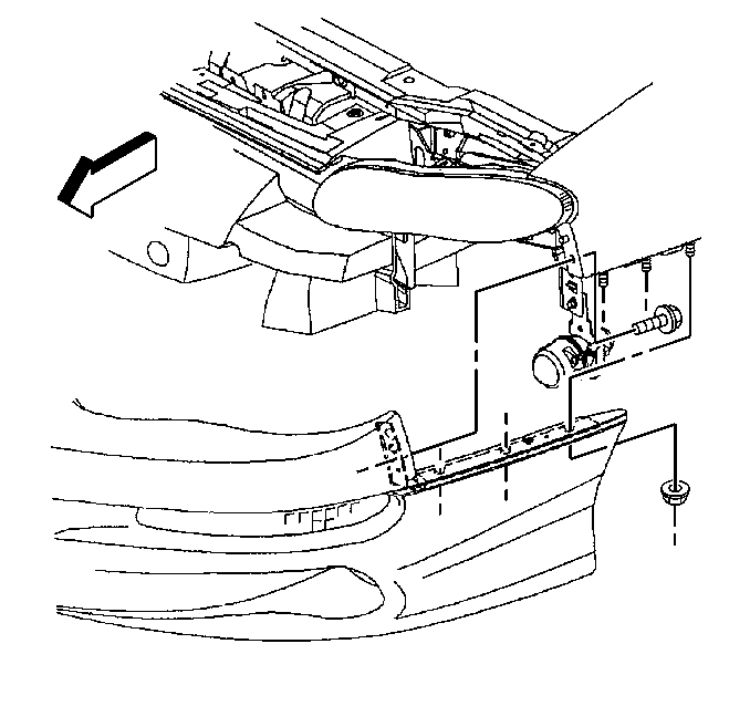
  5. Remove the fascia outer support nuts and bolts.
  6. Disconnect all the electrical connectors from the fascia.

  7. Object Number: 296248  Size: SH
  8. Remove the lower fascia retainers along the impact bar.
  9. Remove the front fascia.
  10. Transfer all necessary parts, if required.

Installation Procedure

  1. Install the front fascia.

  2. Object Number: 296248  Size: SH
  3. Install the lower fascia retainers along the impact bar.
  4. Connect all the electrical connectors to the fascia.
  5. Notice: Use the correct fastener in the correct location. Replacement fasteners must be the correct part number for that application. Fasteners requiring replacement or fasteners requiring the use of thread locking compound or sealant are identified in the service procedure. Do not use paints, lubricants, or corrosion inhibitors on fasteners or fastener joint surfaces unless specified. These coatings affect fastener torque and joint clamping force and may damage the fastener. Use the correct tightening sequence and specifications when installing fasteners in order to avoid damage to parts and systems.


    Object Number: 296246  Size: SH
  6. Install the fascia outer support nuts and bolts.
  7. Tighten

        • Tighten the fascia outer support nuts to 9 N·m (80 lb in).
        • Tighten the fascia outer support bolts to 5 N·m (44 lb in).
  8. Install the front end fascia outer deflectors. Refer to Front Bumper Fascia Air Deflector Replacement .
  9. Lower the vehicle.

  10. Object Number: 296243  Size: SH
  11. Install the upper fascia retainers along the radiator support.

Front Bumper Fascia Replacement Pontiac

Removal Procedure


    Object Number: 296250  Size: SH
  1. Remove the upper fascia retainers along the radiator support.
  2. Raise and suitably support the vehicle. Refer to Lifting and Jacking the Vehicle in General Information.
  3. Remove the front end fascia outer deflectors. Refer to Front Bumper Fascia Air Deflector Replacement .

  4. Object Number: 296252  Size: SH
  5. Remove the fascia outer support nuts and bolts.
  6. Disconnect all the electrical connectors from the fascia.

  7. Object Number: 296255  Size: SH
  8. Remove the lower fascia retainers along the impact bar.
  9. Manually raise the headlamps.
  10. Remove the front bumper fascia.

Installation Procedure

  1. Install the front bumper fascia.
  2. Manually lower the headlamps.

  3. Object Number: 296255  Size: SH
  4. Install the lower fascia retainers along the impact bar.
  5. Connect all the electrical connectors to the fascia.
  6. Notice: Use the correct fastener in the correct location. Replacement fasteners must be the correct part number for that application. Fasteners requiring replacement or fasteners requiring the use of thread locking compound or sealant are identified in the service procedure. Do not use paints, lubricants, or corrosion inhibitors on fasteners or fastener joint surfaces unless specified. These coatings affect fastener torque and joint clamping force and may damage the fastener. Use the correct tightening sequence and specifications when installing fasteners in order to avoid damage to parts and systems.


    Object Number: 296252  Size: SH
  7. Install the fascia outer support nuts and bolts.
  8. Tighten

        • Tighten the fascia outer support nuts to 9 N·m (80 lb in).
        • Tighten the fascia outer support bolts to 5 N·m (44 lb in).
  9. Install the front end fascia outer deflectors. Refer to Front Bumper Fascia Air Deflector Replacement .
  10. Lower the vehicle.

  11. Object Number: 296250  Size: SH
  12. Install the upper fascia retainers along the radiator support.