GM Service Manual Online
For 1990-2009 cars only
Makes
🢒
Pontiac
🢒
2001
🢒
Firebird
🢒
Body and Accessories
🢒
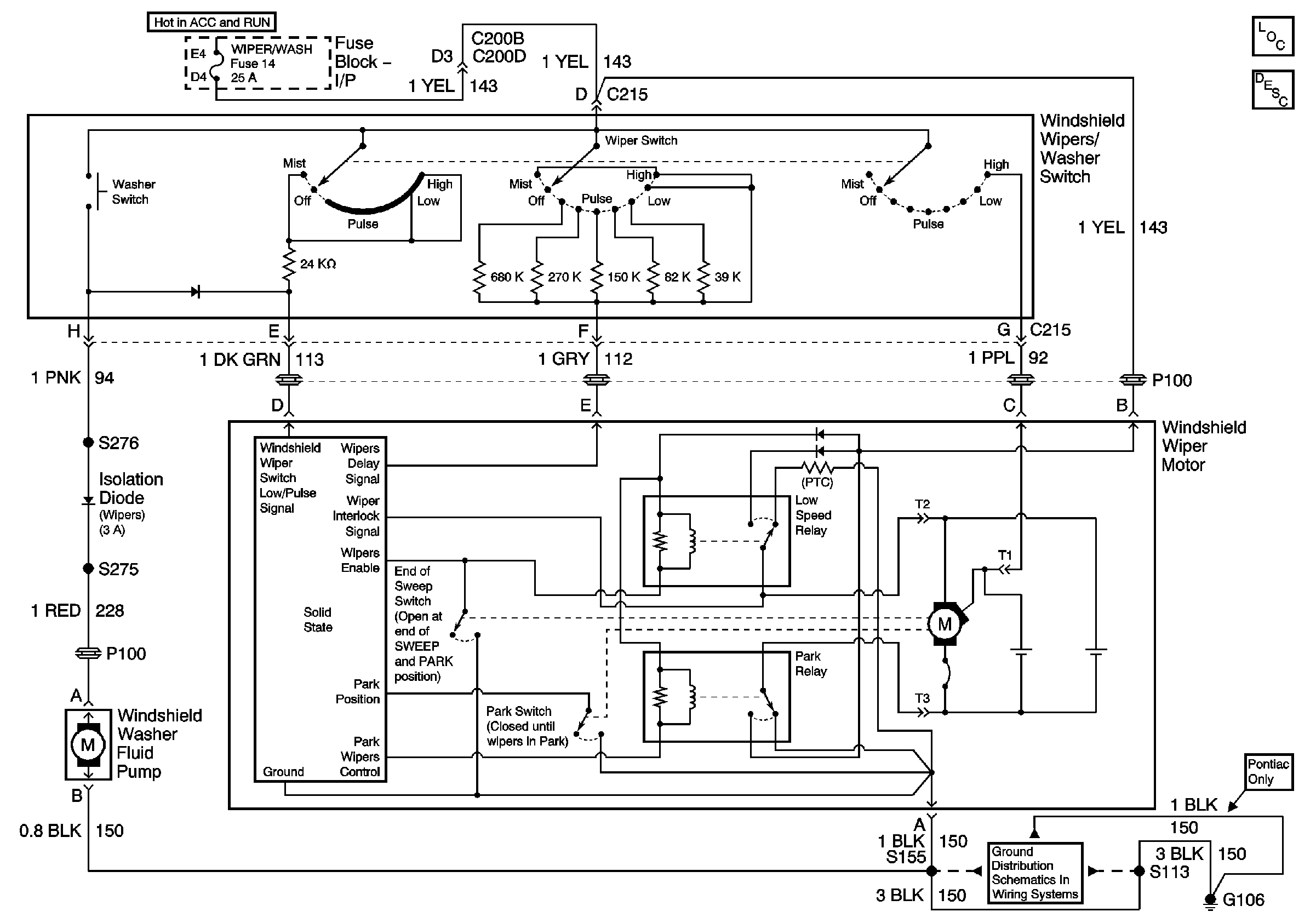
Wipers/Washer Systems
🢒 Wiper/Washer Schematics
Master Electrical Component List
Wiper/Washer System Description and Operation
G106