GM Service Manual Online
For 1990-2009 cars only

Tools Required

    • J 41044 Engine Support Adapters
    • J 42451 Engine Support Adapter Kit
    • J 28467-B Universal Support Fixture
    • J 36462-A Engine Support Adapter

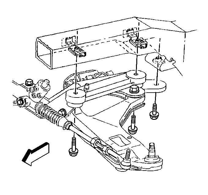
Removal Procedure


    Object Number: 391200  Size: MH
  1. Remove the lower control arms. Refer to Lower Control Arm Replacement in Front Suspension.
  2. Using the J 41044 , J 42451 , J 28467-B , and J 36462-A support/raise the engine.
  3. Remove the steering gear. Refer to Steering Gear Replacement in Power Steering System.
  4. Remove the engine mounts. Refer to Engine Mount Replacement in Engine Mechanical 3.8 L or Engine Mount Replacement - Left Side and Engine Mount Replacement - Right Side in Engine Mechanical 5.7 L.
  5. Remove the brake pipe clip bolt (2) from the passenger side of the crossmember (1).

  6. Object Number: 391201  Size: MH
  7. Remove the brake pipe clip bolt (1) from the driver side of the crossmember.

  8. Object Number: 391199  Size: SH
  9. Disconnect the wheel speed sensor electrical connector (3).
  10. Remove the harness clip (2) from the crossmember (1).

  11. Object Number: 391198  Size: SH
  12. Remove the harness clips (1) from the crossmember (2).

  13. Object Number: 296194  Size: SH
  14. Remove the crossmember bolts.
  15. Slide the brake pipes from the crossmember.
  16. Remove the crossmember from the vehicle.

Installation Procedure


    Object Number: 296194  Size: SH
  1. Install the crossmember to the vehicle.
  2. Slide the brake pipes onto the crossmember.
  3. Notice: Use the correct fastener in the correct location. Replacement fasteners must be the correct part number for that application. Fasteners requiring replacement or fasteners requiring the use of thread locking compound or sealant are identified in the service procedure. Do not use paints, lubricants, or corrosion inhibitors on fasteners or fastener joint surfaces unless specified. These coatings affect fastener torque and joint clamping force and may damage the fastener. Use the correct tightening sequence and specifications when installing fasteners in order to avoid damage to parts and systems.

  4. Install the crossmember bolts.
  5. Tighten

        • Tighten the lower crossmember bolts to 125 N·m (92 lb ft).
        • Tighten the upper crossmember bolts to 145 N·m (107 lb ft).

    Object Number: 391198  Size: SH
  6. Install the harness clips (1) to the crossmember (2).

  7. Object Number: 391199  Size: SH
  8. Connect the wheel speed sensor electrical connector (3).
  9. Install the harness clip (2) from the crossmember (1).

  10. Object Number: 391201  Size: MH
  11. Install the brake pipe clip bolt (1) from the driver side of the crossmember.
  12. Tighten
    Tighten the brake pipe clip bolt (1) to 13 N·m (115 lb in).


    Object Number: 391200  Size: MH
  13. Remove the brake pipe clip bolt (2) from the passenger side of the crossmember (1).
  14. Tighten
    Tighten the brake pipe clip bolt (2) to 13 N·m (115 lb in).

  15. Install the steering gear. Refer to Steering Gear Replacement in Power Steering System.
  16. Install the engine mounts. Refer to Engine Mount Replacement in Engine Mechanical 3.8 L or Engine Mount Replacement - Left Side and Engine Mount Replacement - Right Side in Engine Mechanical 5.7 L.
  17. Remove the J 41044 , J 42451 , J 28467-B , and J 36462-A .
  18. Install the lower control arms. Refer to Lower Control Arm Replacement in Front Suspension.