GM Service Manual Online
For 1990-2009 cars only
Makes
🢒
Pontiac
🢒
2001
🢒
Firebird
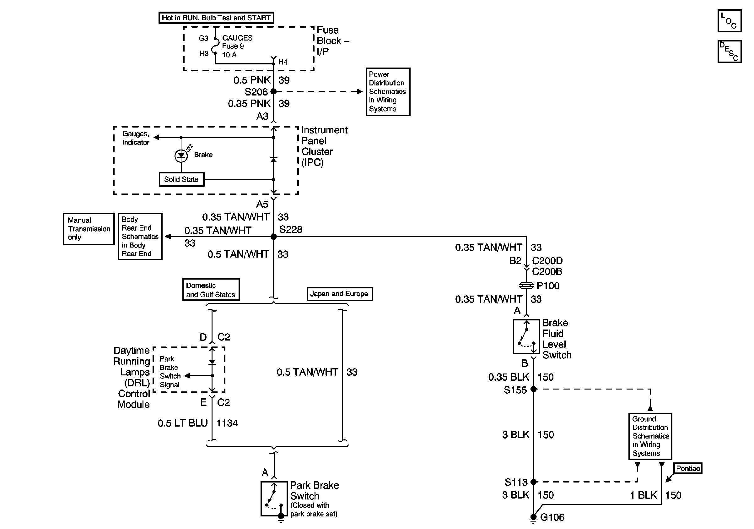
🢒 Brake Fluid Level Sensor, Instrument Cluster and Park Brake Switch
Brake Fluid Level Sensor, Instrument Cluster and Park Brake Switch
Brake Fluid Level Sensor, Instrument Cluster and Park Brake Switch
Master Electrical Component List
Brake Warning System Description and Operation
AIR BAG and GAUGES Fuses
Park Brake Switch and Park/Neutral Position Switch
G106