GM Service Manual Online
For 1990-2009 cars only
Makes
🢒
Pontiac
🢒
2001
🢒
Firebird
🢒 V6 VIN K
V6 VIN K
V6 VIN K
Master Electrical Component List
Cooling System Description and Operation
V8 VIN G
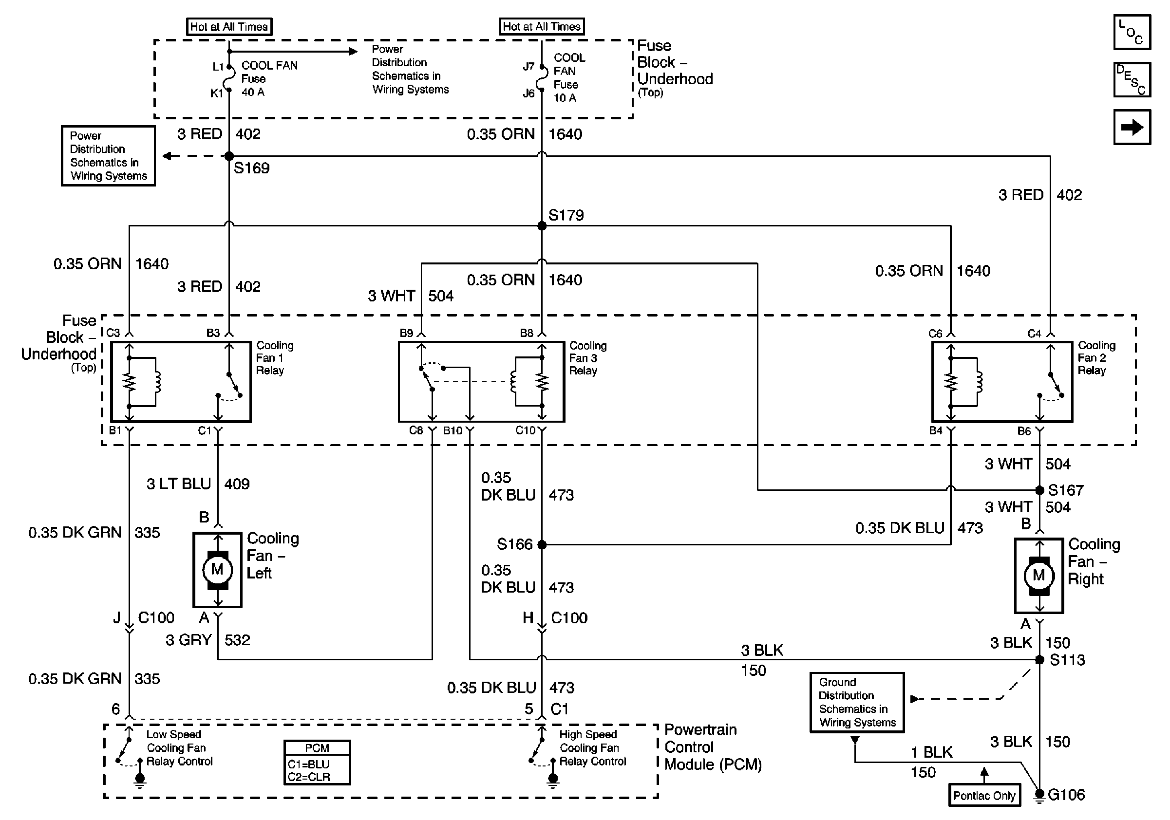
Battery, ABS BAT-1 and COOL FAN Fuses
Battery, ABS BAT-1 and COOL FAN Fuses
Powertrain Control Module Connector End Views
G106