GM Service Manual Online
For 1990-2009 cars only
Makes
🢒
Pontiac
🢒
2001
🢒
Firebird
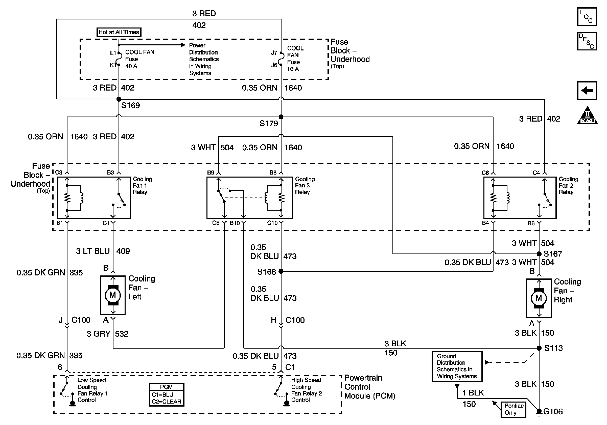
🢒 Engine Cooling Fans
Engine Cooling Fans
Engine Cooling Fans
Master Electrical Component List
Cooling System Description and Operation
A/C HVAC Control
OBD II Symbol Description Notice
G106
Battery, ABS BAT-1 and COOL FAN Fuses
Powertrain Control Module Connector End Views