GM Service Manual Online
For 1990-2009 cars only
Makes
🢒
Pontiac
🢒
2001
🢒
Firebird
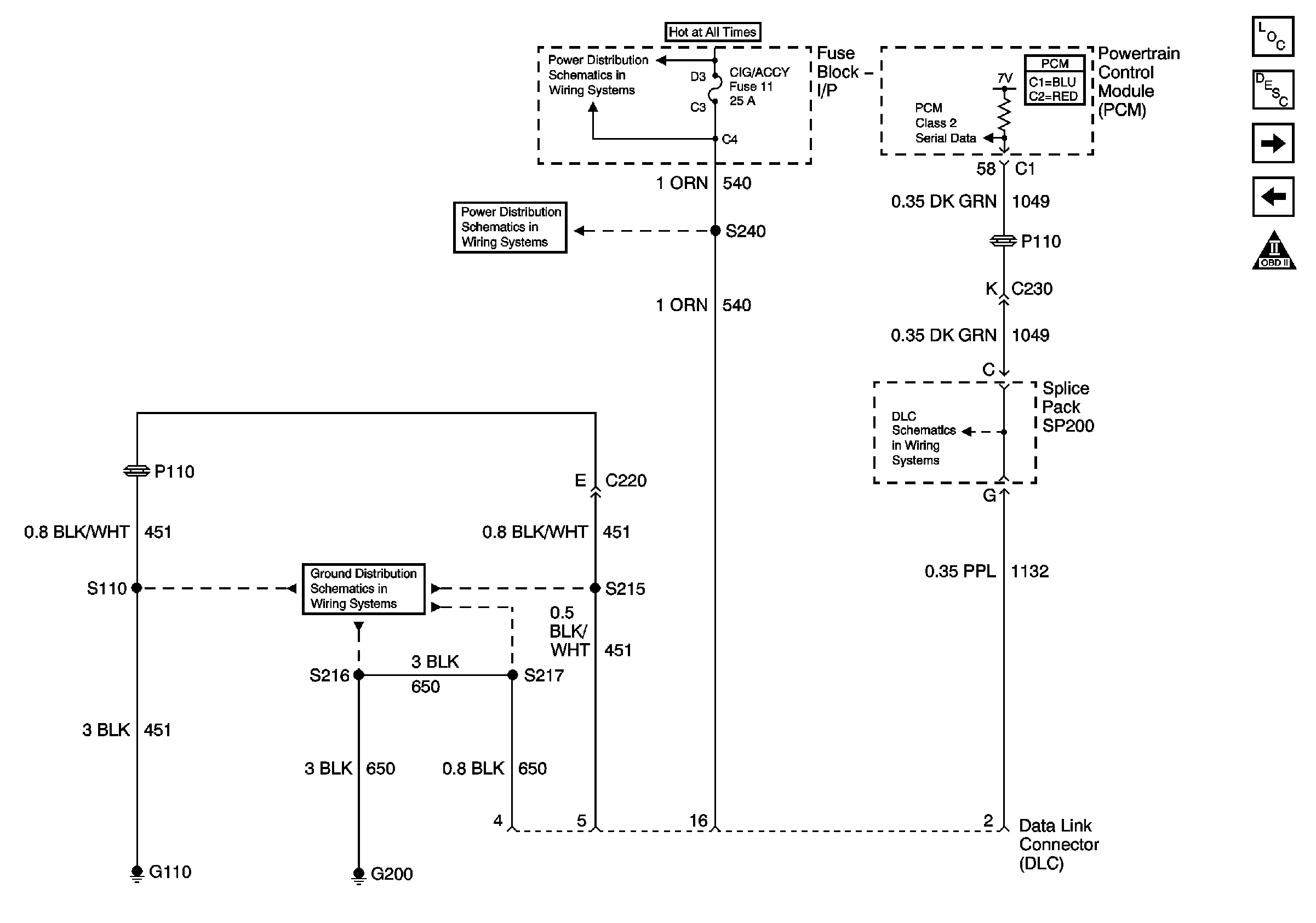
🢒 Data Link Connector
Data Link Connector
Data Link Connector
Master Electrical Component List
Powertrain Control Module Description
Ignition Modules/Coils, Bank 1
Ignition Relay
OBD II Symbol Description Notice
Fusible Links, CIG/ACCY, ENG CTRL, IGN, I/P-1, I/P-2, and PWR ACCY Fuses
Fusible Links, CIG/ACCY, ENG CTRL, IGN, I/P-1, I/P-2, and PWR ACCY Fuses
Ground Distribution Schematics
Class 2 Serial Data Line
Powertrain Control Module Connector End Views