GM Service Manual Online
For 1990-2009 cars only
Makes
🢒
Pontiac
🢒
2001
🢒
Firebird
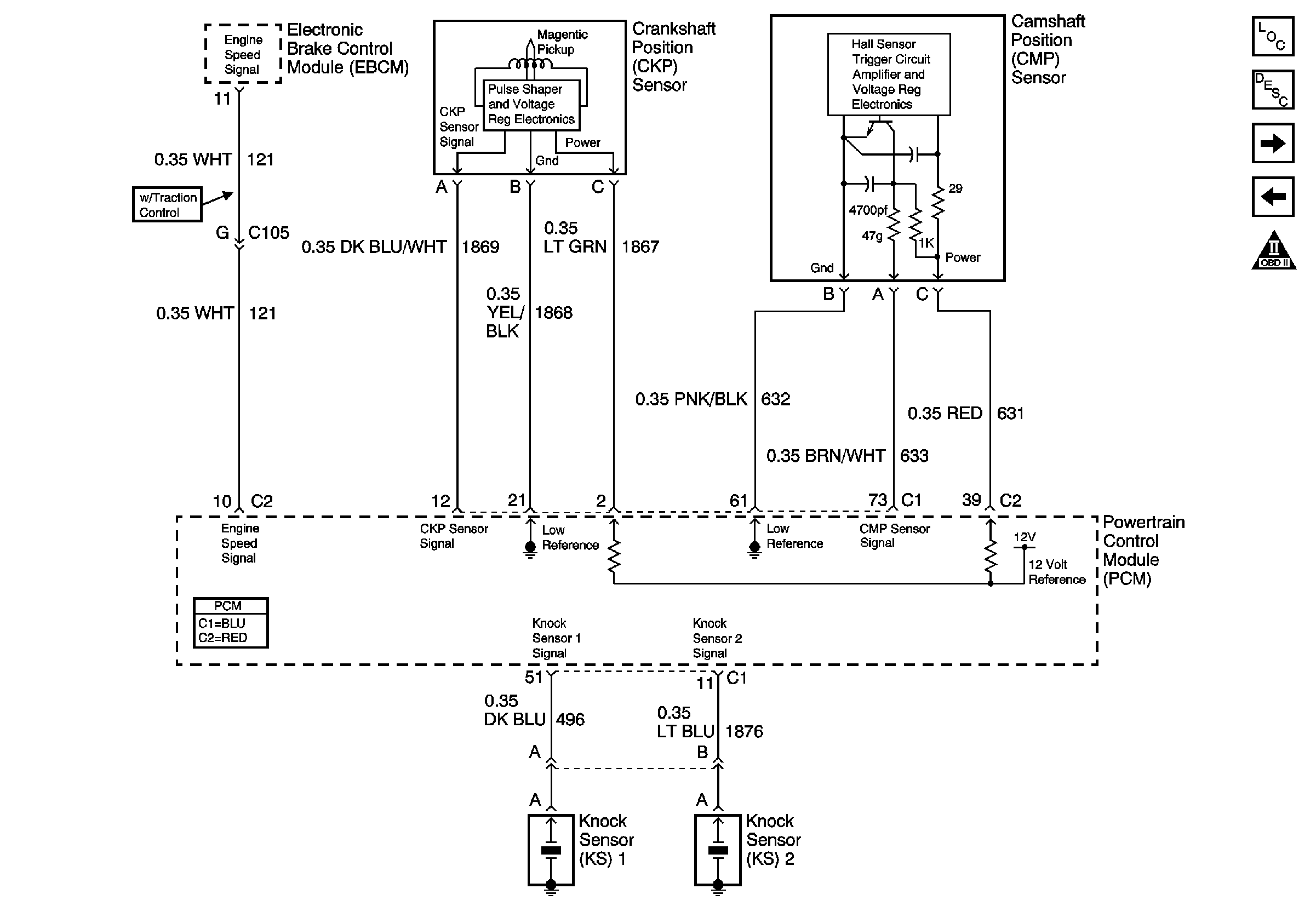
🢒 Camshaft Position Sensor, Crankshaft Position Sensor, and Knock Sensors
Camshaft Position Sensor, Crankshaft Position Sensor, and Knock Sensors
Camshaft Position Sensor, Crankshaft Position Sensor, and Knock Sensors
Master Electrical Component List
Electronic Ignition (EI) System Description
BCM and Fuel Pump
Ignition Modules/Coils, Bank 2
OBD II Symbol Description Notice
Powertrain Control Module Connector End Views