GM Service Manual Online
For 1990-2009 cars only
Makes
🢒
Pontiac
🢒
2001
🢒
Firebird
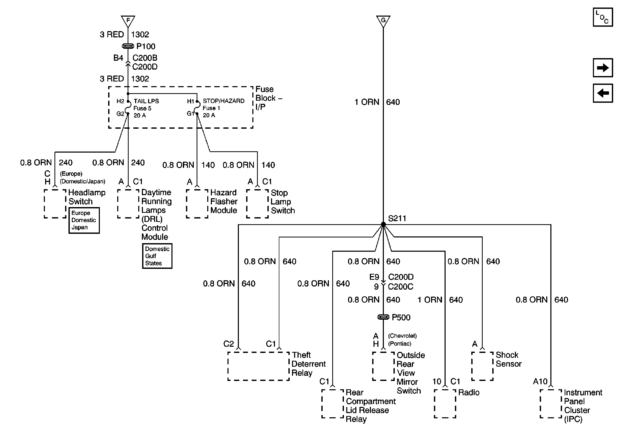
🢒 TAIL LPS and STOP/HAZARD Fuses
TAIL LPS and STOP/HAZARD Fuses
TAIL LPS and STOP/HAZARD Fuses
Master Electrical Component List
IP DIMMER and STG WHL CNTRL Fuses
AIR PUMP, FUEL PUMP and PCM BAT Fuses
Fusible Links, CIG/ACCY, ENG CTRL, IGN, I/P-1, I/P-2, and PWR ACCY Fuses
Fusible Links, CIG/ACCY, ENG CTRL, IGN, I/P-1, I/P-2, and PWR ACCY Fuses