GM Service Manual Online
For 1990-2009 cars only
Makes
🢒
Pontiac
🢒
2001
🢒
Firebird
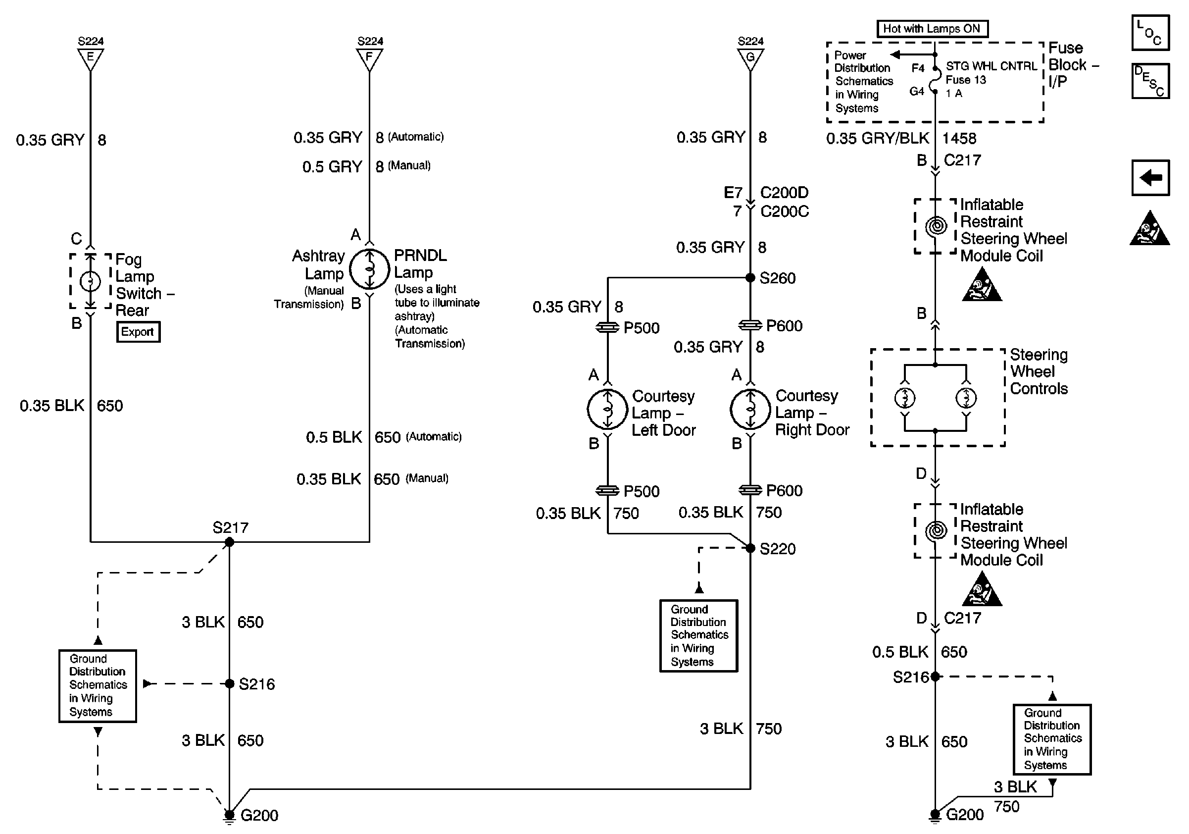
🢒 Interior Illumination Lamps (2 of 2)
Interior Illumination Lamps (2 of 2)
Interior Illumination Lamps (2 of 2)
Master Electrical Component List
Interior Lighting Systems Description and Operation
Interior Illumination Lamps (1 of 2)
SIR Handling Caution
Interior Illumination Lamps (1 of 2)
Interior Illumination Lamps (1 of 2)
Interior Illumination Lamps (1 of 2)
IP DIMMER and STG WHL CNTRL Fuses
G200 Splice S220
G200 Splice S220
G200 Splice S220