GM Service Manual Online
For 1990-2009 cars only

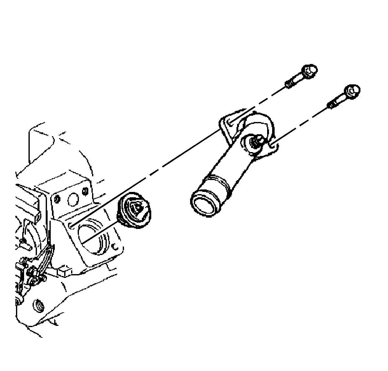
Water Outlet Removal F


    Object Number: 683905  Size: SH
  1. Remove the water outlet bolts.
  2. Remove the water outlet.
  3. Remove the thermostat.

Water Outlet Removal L36, C, H


    Object Number: 389460  Size: SH
  1. Remove the water outlet bolts.
  2. Remove the water outlet.
  3. Remove the thermostat.

Water Outlet Removal L36, W


    Object Number: 395580  Size: SH
  1. Remove the water outlet bolt and stud.
  2. Remove the water outlet.
  3. Remove the thermostat.

Water Outlet Removal L67, C, H


    Object Number: 389461  Size: SH
  1. Remove the water outlet bolts.
  2. Remove the water outlet.
  3. Remove the thermostat.

Water Outlet Removal L67, W


    Object Number: 395582  Size: SH
  1. Remove the water outlet bolt and stud.
  2. Remove the water outlet.
  3. Remove the thermostat.