GM Service Manual Online
For 1990-2009 cars only
Makes
🢒
Pontiac
🢒
2002
🢒
Firebird
🢒 Engine Cooling Schematics
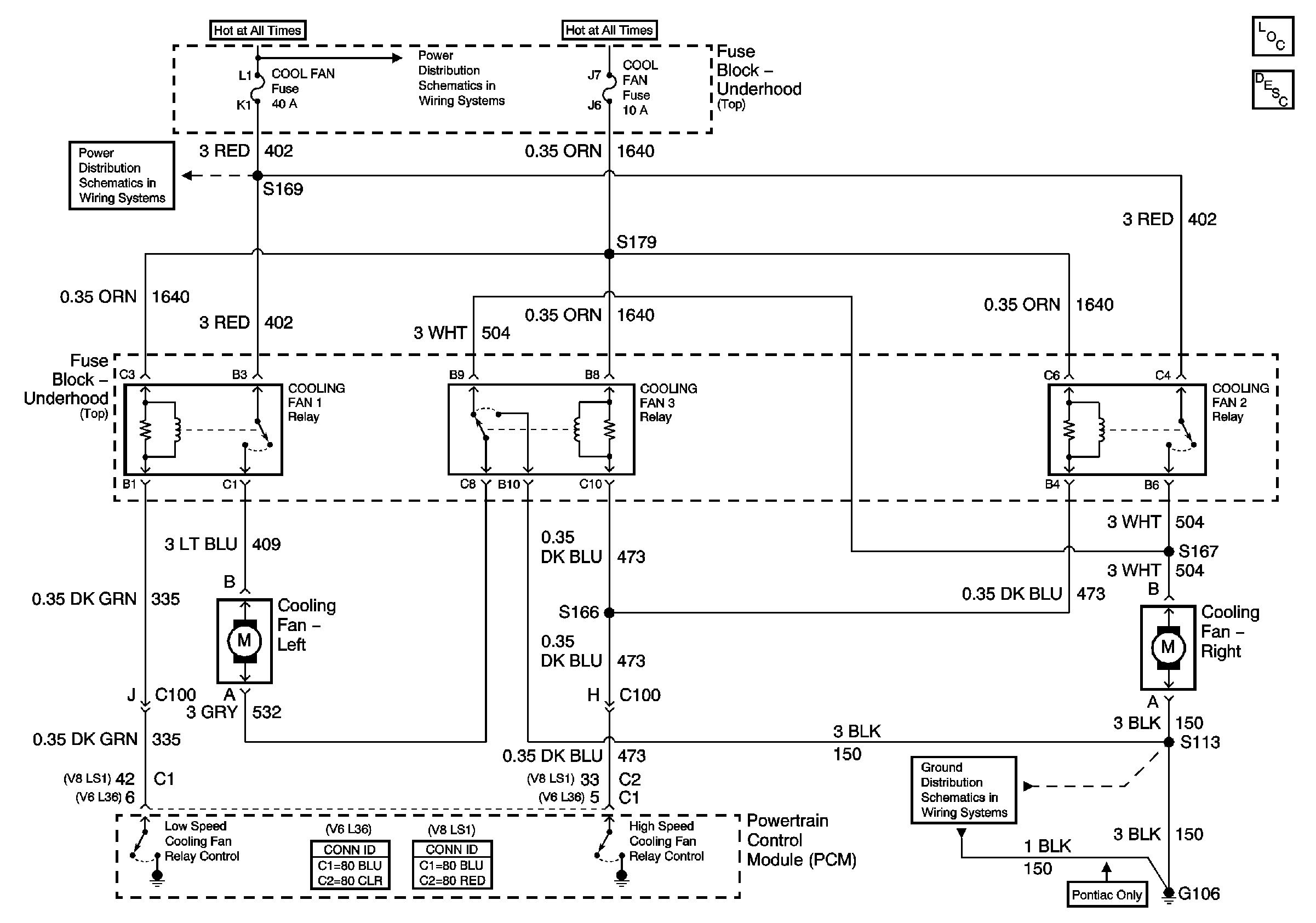
Engine Cooling Schematics
Master Electrical Component List
Cooling System Description and Operation
COOL FAN and ABS BAT- 1 Fuses
COOL FAN and ABS BAT- 1 Fuses
G106