GM Service Manual Online
For 1990-2009 cars only
Makes
🢒
Pontiac
🢒
2002
🢒
Firebird
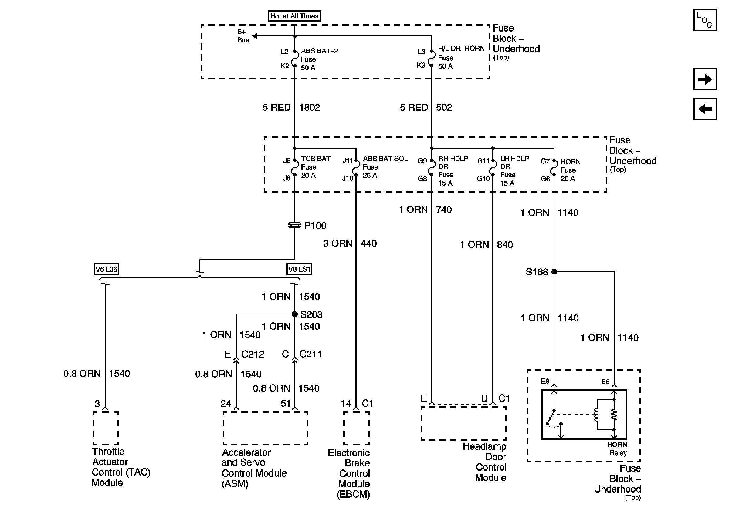
🢒 ABS BAT-2, H/L DR-HORN, TCS BAT, ABS BAT SOL, LH HDLP DR, RH HDLP DR and HORN Fuses
ABS BAT-2, H/L DR-HORN, TCS BAT, ABS BAT SOL, LH HDLP DR, RH HDLP DR and HORN Fuses
ABS BAT-2, H/L DR-HORN, TCS BAT, ABS BAT SOL, LH HDLP DR, RH HDLP DR and HORN Fuses
Master Electrical Component List
COURTESY, RADIO ACCY Fuses and DEFOG/SEATS CKT BRKR
COOL FAN and ABS BAT- 1 Fuses