GM Service Manual Online
For 1990-2009 cars only
Makes
🢒
Pontiac
🢒
2002
🢒
Firebird
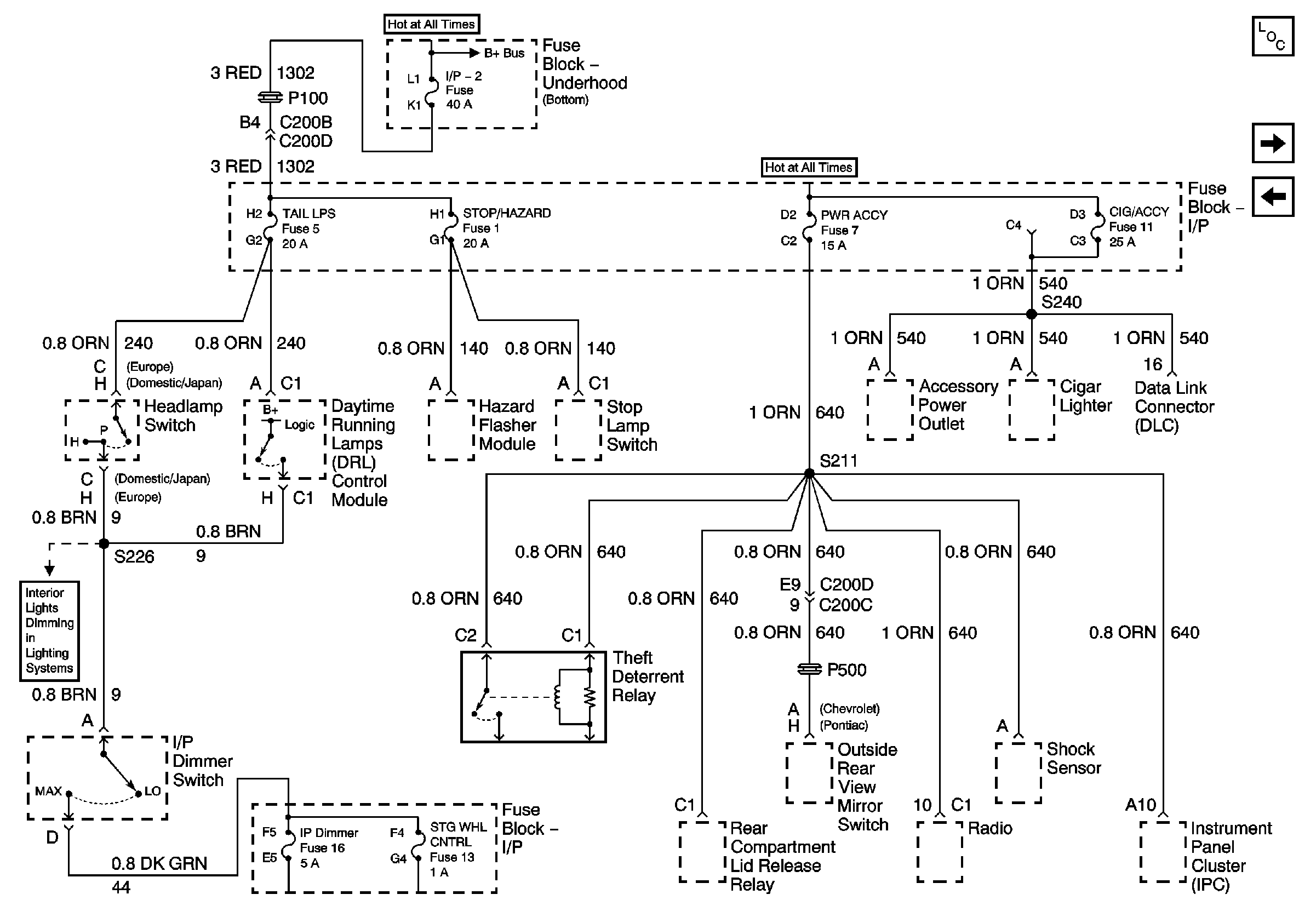
🢒 I/P-2,TAIL LPS, STOP/HAZARD,PWR ACCY and CIG/ACCY Fuses
I/P-2,TAIL LPS, STOP/HAZARD,PWR ACCY and CIG/ACCY Fuses
I/P-2, TAIL LPS, STOP/HAZARD, PWR ACCY and CIG/ACCY Fuses
Master Electrical Component List
IP DIMMER and STG WHL CNTRL Fuses
ENG CTRL, FUEL PUMP, AIR PUMP and PCM BAT Fuses
Switch Controls