GM Service Manual Online
For 1990-2009 cars only
Makes
🢒
Pontiac
🢒
2002
🢒
Firebird
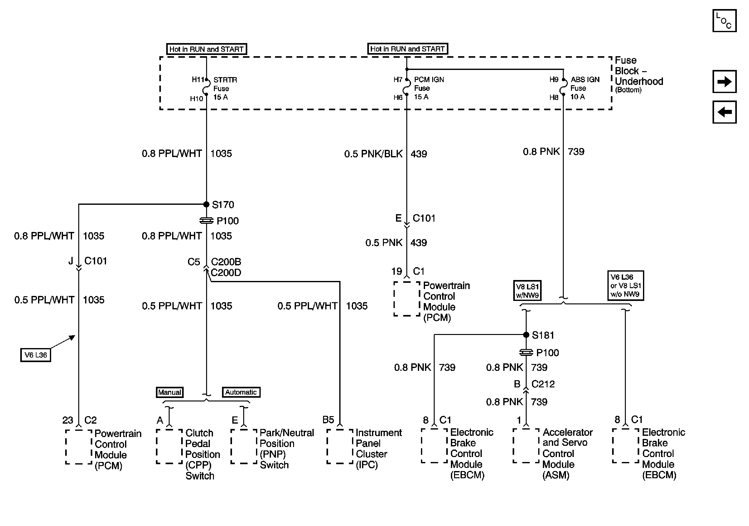
🢒 ABS IGN, PCM IGN and STRTR Fuses
ABS IGN, PCM IGN and STRTR Fuses
STRTR, PCM IGN and ABS IGN Fuses
Master Electrical Component List
ENG CTRL Fuse
AIR BAG and GAUGES Fuses