GM Service Manual Online
For 1990-2009 cars only
Makes
🢒
Pontiac
🢒
2002
🢒
Firebird
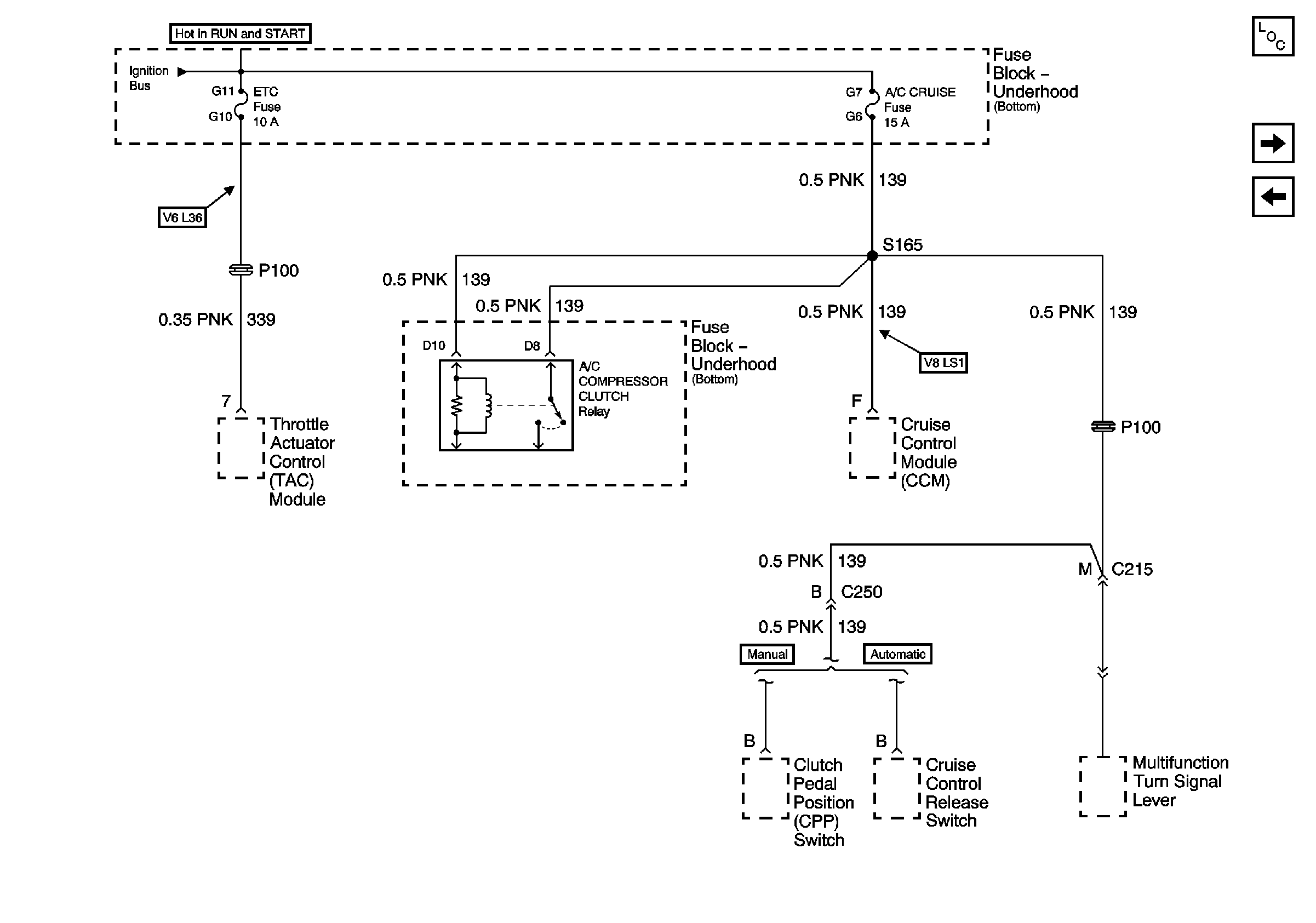
🢒 ETC and A/C CRUISE Fuses
ETC and A/C CRUISE Fuses
ETC and A/C CRUISE Fuses
Master Electrical Component List
INJ 1 Fuse
ENG CTRL Fuse