GM Service Manual Online
For 1990-2009 cars only
Makes
🢒
Pontiac
🢒
2002
🢒
Firebird
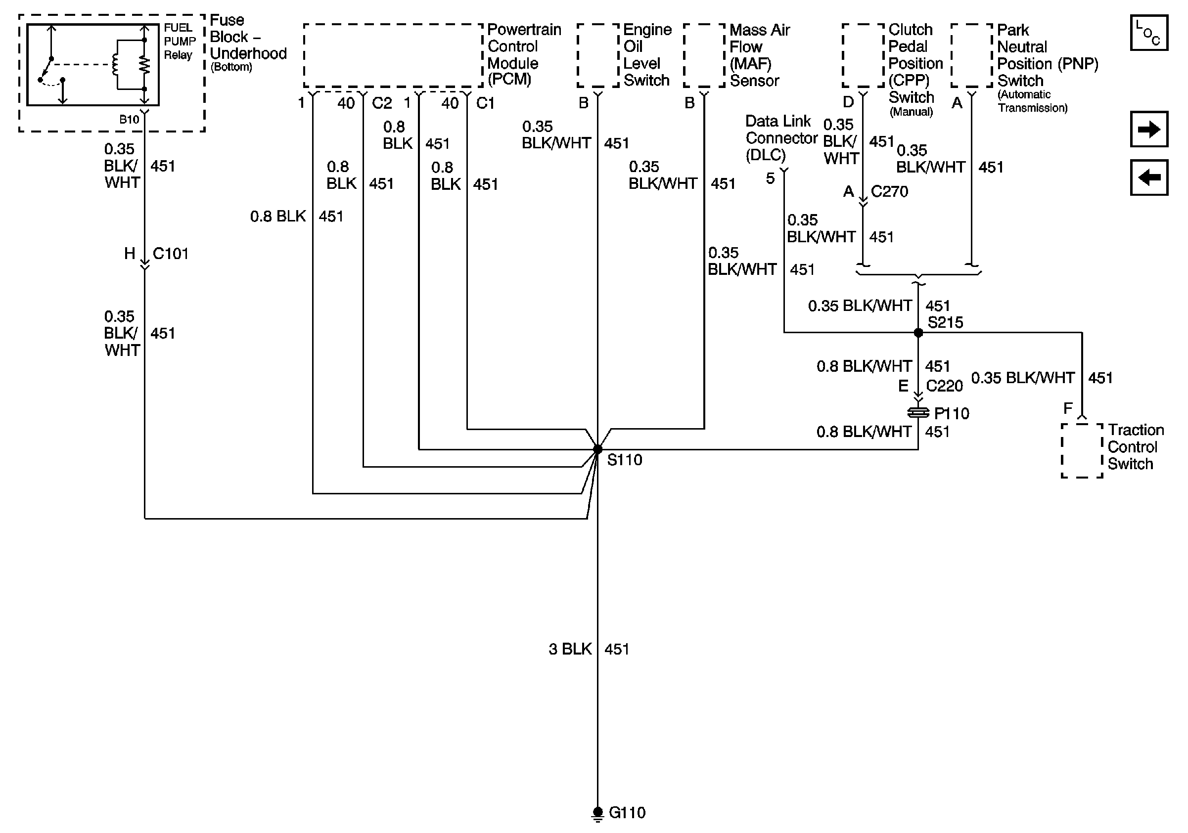
🢒 G110 V8 LS1
G110 V8 LS1
G110 V8 LS1
Master Electrical Component List
G112 V6 L36
G110 V6 L36