GM Service Manual Online
For 1990-2009 cars only
Makes
🢒
Pontiac
🢒
2002
🢒
Firebird
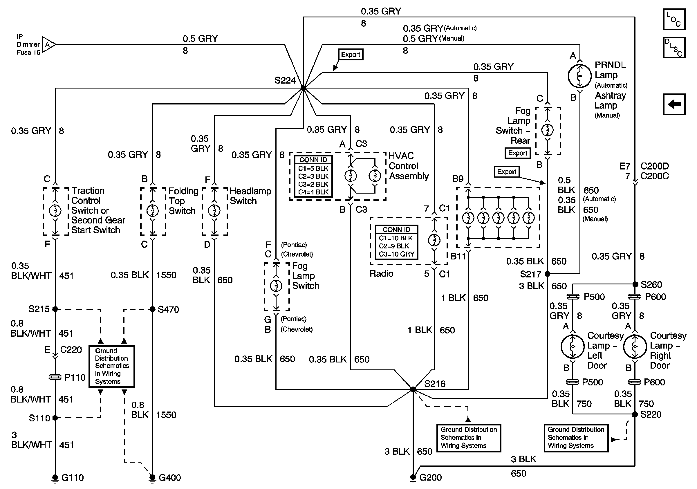
🢒 Interior Lamps
Interior Lamps
Interior Lamps
Master Electrical Component List
Interior Lighting Systems Description and Operation
Switch Controls
Switch Controls
G400 Coupe and Convertible
G200 Page 1 of 3
G200 Page 1 of 3